Operation CHARM: Car repair manuals for everyone.
Manuals through 2025 now available!

Our trusted friends have launched a new website named LEMON, which has newer manuals. It also contains all the CHARM manuals.

LEMON is the spiritual successor to CHARM, I recommend you try it!

Link: lemon-manuals.la or lemon-manuals.org.ua

(Some people have issue connecting. LEMON is investigating. For now, use Firefox or change your DNS server)

Or, hide this message: temporarily or permanently

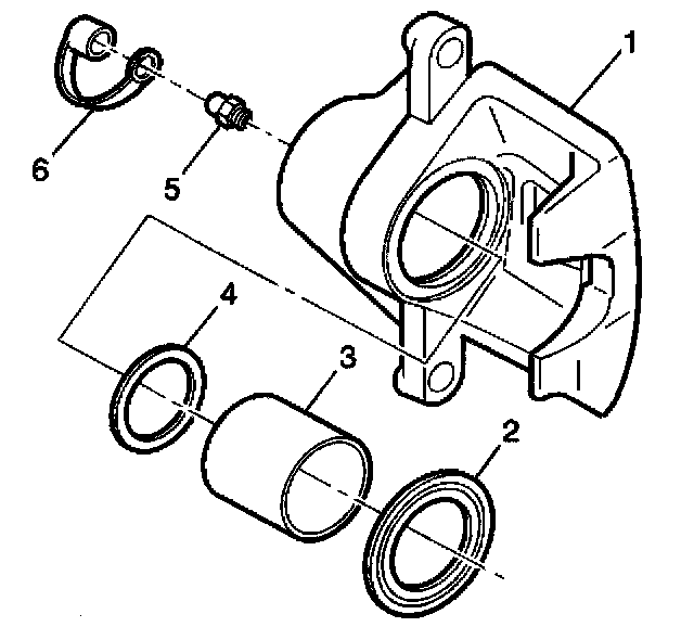
Brake Caliper Inspection

Brake Caliper Inspection

Caution: Refer to Brake Dust Caution.
Brake Dust Caution


Caution: Refer to Brake Fluid Irritant Caution.
Brake Fluid Irritant Caution







1. Inspect the brake caliper housing (1) for cracks, excess wear, and/or damage. If any of these conditions are present, the brake caliper requires replacement.
2. Inspect the caliper piston dust boot seal (2) for cracks, tears, cuts, deterioration and/or improper seating in the caliper body. If any of these conditions are present, the brake caliper requires overhaul or replacement.
3. Inspect for brake fluid leakage around the caliper piston dust boot seal (2) and on the disc brake pads. If there is any evidence of brake fluid leakage, the brake caliper requires overhaul or replacement.







4. Inspect for smooth and complete travel of the caliper piston, or pistons, into the caliper bore, or bores:
The movement of a caliper piston into a caliper bore should be smooth and even. If a caliper piston is frozen or difficult to bottom, the caliper requires overhaul or replacement.
- For single piston caliper applications, insert a discarded inner brake pad (2) or block of wood in front of the piston. Using a large C-clamp (1) installed over the body of the caliper (3) and against the brake pad or block of wood, slowly bottom the piston in the bore.
- For dual piston caliper applications, insert a discarded inner brake pad (2) or block of wood in front of the pistons. Using 2 large C-clamps (1) installed over the body of the caliper (3) and against the brake pad or block of wood, slowly bottom the pistons evenly into the bores.