Operation CHARM: Car repair manuals for everyone.
Manuals through 2025 now available!

Our trusted friends have launched a new website named LEMON, which has newer manuals. It also contains all the CHARM manuals.

LEMON is the spiritual successor to CHARM, I recommend you try it!

Link: lemon-manuals.la or lemon-manuals.org.ua

(Some people have issue connecting. LEMON is investigating. For now, use Firefox or change your DNS server)

Or, hide this message: temporarily or permanently

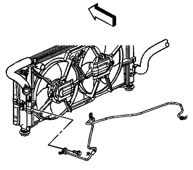
Radiator Replacement

Radiator Replacement

^ Tools Required
- J 38185 Hose Clamp Pliers
- J 39400-A Halogen Leak Detector

Removal Procedure





1. Recover the refrigerant from the A/C system.
2. Drain the cooling system.
3. Remove the cooling fans with the cooling fan shroud.
4. Reposition the hose clamp at the water pump housing using the J 38185.
5. Disconnect the radiator outlet hose from the water pump housing.
6. Reposition the hose clamp at the radiator using the J 38185.
7. Disconnect the radiator outlet hose from the radiator.
8. Remove the radiator outlet hose.
9. Disconnect the lower transaxle oil cooler line from the radiator.





10. Remove the nut, which secures the A/C discharge hose to the condenser block.
11. Disconnect the A/C discharge hose from the condenser block.
12. Remove and discard the sealing washer.

Important: Cap or tape off the open A/C hose immediately to prevent system contamination.

13. Cap or tape off the A/C discharge hose.





14. Remove the bolt which secures the evaporator inlet tube to the condenser block.
15. Disconnect the evaporator inlet tube from the condenser block.
16. Cap or tape off the evaporator inlet tube.





17. Remove the radiator and condenser assembly.
18. Remove the condenser tube clip bolt.
19. Remove the condenser mounting bolts.
20. Remove the condenser from the radiator.

Installation Procedure





1. Install the condenser to the radiator.

Notice: Refer to Fastener Notice in Service Precautions.

2. Install the mounting bolts that secure the condenser to the radiator.
Tighten the bolts to 6 Nm (53 inch lbs.).
3. Install the condenser tube clip bolt.
Tighten the bolt to 2.5 Nm (22 inch lbs.).
4. Install the radiator and condenser assembly.
5. Remove the cap or the tape from the evaporator inlet tube.





6. Install the evaporator inlet tube and the bolt to the condenser block.
Tighten bolt to 16 Nm (12 ft. lbs.).





7. Remove the cap or the tape from the A/C discharge hose.

Important: Flat washer type seals do not require lubrication.

8. Install a new sealing washer to the A/C discharge hose.
9. Install the A/C discharge hose and the nut to the condenser block.
Tighten the nut to 16 Nm (12 ft. lbs.).
10. Connect the lower transaxle oil cooler line to the radiator.





11. Install the radiator outlet hose.
12. Connect the radiator outlet hose to the radiator.
13. Reposition the hose clamp at the radiator to secure the hose using the J 38185.
14. Connect the radiator outlet hose to the water pump housing.
15. Reposition the hose clamp at the water pump housing to secure the hose using the J 38185.
16. Install the cooling fans with the cooling fan shroud.
17. Fill the cooling system.
18. Evacuate and recharge the A/C system.
19. Leak test the fittings of the component using the J 39400-A.
20. Inspect the transmission fluid level.