Operation CHARM: Car repair manuals for everyone.
Manuals through 2025 now available!

Our trusted friends have launched a new website named LEMON, which has newer manuals. It also contains all the CHARM manuals.

LEMON is the spiritual successor to CHARM, I recommend you try it!

Link: lemon-manuals.la or lemon-manuals.org.ua

(Some people have issue connecting. LEMON is investigating. For now, use Firefox or change your DNS server)

Or, hide this message: temporarily or permanently

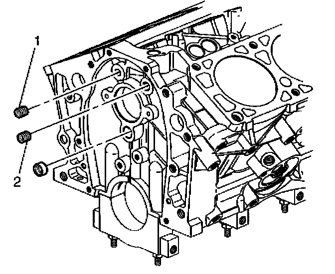
35. Engine Block Disassemble

Engine Block Disassemble





1. Remove the camshaft rear bearing hole plug.





2. Remove the rear oil gallery plugs (1, 2, 3).





3. Remove the front oil gallery plugs (1, 2).
4. Remove all of the remaining engine block plugs.





5. Remove the knock sensor.





6. Remove the engine oil pressure switch.