Operation CHARM: Car repair manuals for everyone.
Manuals through 2025 now available!

Our trusted friends have launched a new website named LEMON, which has newer manuals. It also contains all the CHARM manuals.

LEMON is the spiritual successor to CHARM, I recommend you try it!

Link: lemon-manuals.la or lemon-manuals.org.ua

(Some people have issue connecting. LEMON is investigating. For now, use Firefox or change your DNS server)

Or, hide this message: temporarily or permanently

Air Cleaner Housing: Service and Repair

AIR CLEANER ASSEMBLY REPLACEMENT

REMOVAL PROCEDURE
1. Disconnect the negative battery cable.
2. Remove the coolant reservoir.
3. Remove the cruise control module.
4. Remove the left front sheet metal diagonal brace.
5. Remove the air cleaner housing and element.
6. Unsnap the latch on the upper cover and remove the cover.




7. Carefully remove the powertrain control module (PCM) leaving the 2 harnesses connected and set aside.




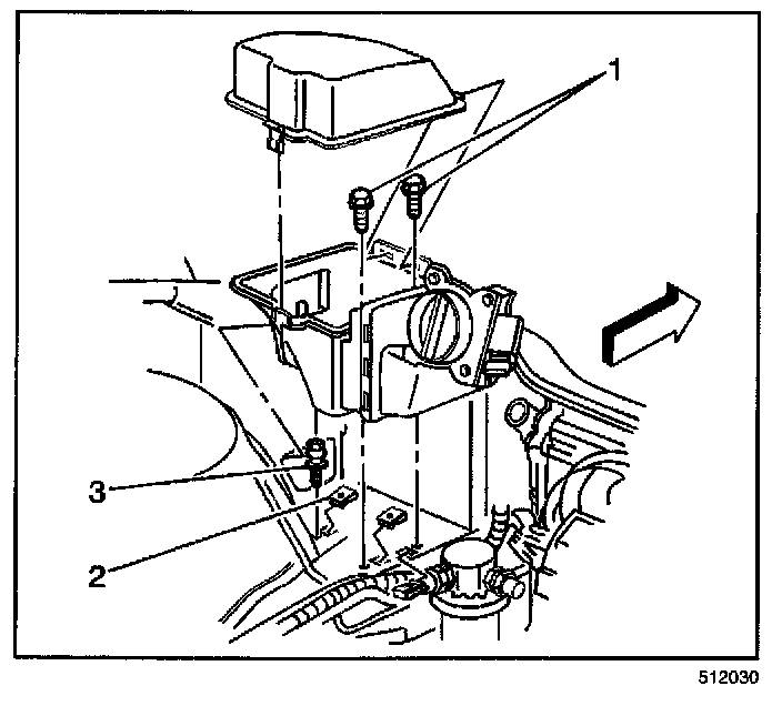
8. Remove the 2 bolts (2) from the air cleaner assembly and remove the housing.

INSTALLATION PROCEDURE




1. Position the air cleaner housing on the stud (3).
2. Install the 2 bolts (1) through the housing.

NOTE: Refer to Fastener Notice in Service Precautions.

Tighten
Tighten the air cleaner housing bolts to 10 N.m (89 lb in).




3. Carefully install the PCM into the housing.
4. Install the air cleaner housing and element (3).
5. Install the upper cover and snap the cover into place.
6. Install the left front sheet metal diagonal brace.
7. Install the coolant reservoir.
8. Install the cruise control module.
9. Connect the negative battery cable.