Operation CHARM: Car repair manuals for everyone.
Manuals through 2025 now available!

Our trusted friends have launched a new website named LEMON, which has newer manuals. It also contains all the CHARM manuals.

LEMON is the spiritual successor to CHARM, I recommend you try it!

Link: lemon-manuals.la or lemon-manuals.org.ua

(Some people have issue connecting. LEMON is investigating. For now, use Firefox or change your DNS server)

Or, hide this message: temporarily or permanently

Electronic Brake Control Module: Service and Repair

Electronic Brake Control Module (EBCM) Replacement

Removal Procedure

Notice: Always connect or disconnect the wiring harness connector from the EBCM/EBTCM with the ignition switch in the OFF position. Failure to observe this precaution could result in damage to the EBCM/EBTCM.





1. Turn the ignition switch to the OFF position.
2. Remove the air cleaner housing from the engine compartment.
3. Remove the master cylinder mount nuts (1).
4. Remove the master cylinder and place the master cylinder off to the side, do not disconnect the master cylinder brake pipes.
5. Disconnect the EBCM harness connector.
6. Brush off any dirt/debris that has accumulated on the assembly.





7. Disconnect the pump motor connector (3) at the bottom of the EBCM.

Important:
^ Do not damage the seal by prying the EBCM from the BPMV.
^ Do not damage the solenoid valves while removing the EBCM from the BPMV.

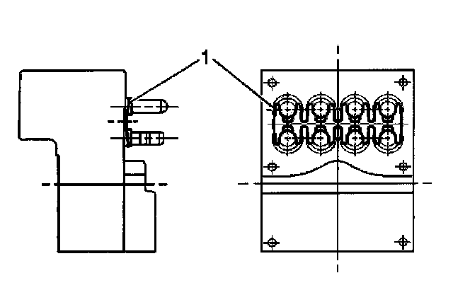
8. Remove the six EBCM to BPMV screws (2).





9. Separate the EBCM from the BPMV by gently pulling apart until separated (1).

Installation Procedure

Important: Use only new wave springs and screws supplied with the new EBCM.





1. Clean the BPMV surface with alcohol using a clean rag.
2. Install the EBCM (1) to the BPMV.

Notice: Refer to Fastener Notice in Service Precautions.

3. Install the 6 screws that attaches the EBCM to BPMV.
^ Tighten the top 4 mounting screws to 5 Nm (44 inch lbs.). Tighten screws in an X pattern.
^ Tighten the bottom 2 mounting screws to 5 Nm (44 inch lbs.).





4. Install the master cylinder to the brake booster.
5. Install the master cylinder mount nuts (1).
^ Tighten the 2 nuts to 25 Nm (18 ft. lbs.).
6. Connect the pump motor connector to the bottom of the EBCM.





7. Connect the EBCM harness connector and depress the locking tab (1) to secure.
8. Install the air cleaner housing.
9. Turn the ignition switch to the RUN position, do not start engine.
10. Perform the Diagnostic System Check - ABS.