Operation CHARM: Car repair manuals for everyone.
Manuals through 2025 now available!

Our trusted friends have launched a new website named LEMON, which has newer manuals. It also contains all the CHARM manuals.

LEMON is the spiritual successor to CHARM, I recommend you try it!

Link: lemon-manuals.la or lemon-manuals.org.ua

(Some people have issue connecting. LEMON is investigating. For now, use Firefox or change your DNS server)

Or, hide this message: temporarily or permanently

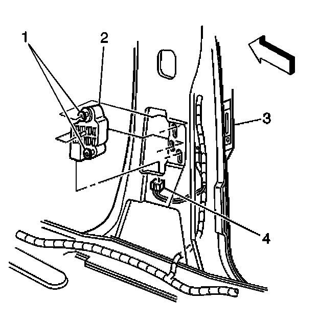
Inflatable Restraint Side Impact Sensor Replacement

REMOVAL PROCEDURE
1. Disable the SIR system. Refer to SIR Disabling and Enabling Zone 6.

CAUTION:
- Do not strike or jolt the inflatable restraint side impact sensor (SIS). Before applying power to the SIS make sure that it is securely fastened. Failure to observe the correct installation procedures could cause SIR deployment, personal injury, or unnecessary SIR system repairs.
- Refer to SIR Caution in Service Precautions.


2. Remove the center pillar lower trim.




3. Remove the connector position assurance (CPA) from the yellow 2-way harness connector (4) on the inflatable restraint side impact sensor.
4. Disconnect the wiring harness connector (4) from the side impact sensor.
5. Loosen the 2 fasteners (1) on the side impact sensor.
6. Remove the side impact sensor (2) from the center pillar.

INSTALLATION PROCEDURE




1. Remove any dirt, grease, and other contaminants from the mounting surface.
2. Install the inflatable restraint side impact sensor (2) to the center pillar.
3. Tighten the 2 fasteners (1) to the side impact sensor.

NOTE: Refer to Fastener Notice in Service Precautions.

Tighten
Tighten the fasteners to 10 N.m (89 lb in).

4. Connect the yellow 2-way harness connector (4) to the side impact sensor.
5. Install the CPA to the yellow 2-way connector (4).
6. Install the center pillar lower trim. Refer to Trim Panel Replacement - Lower Center Pillar in Interior Trim.
7. Enable the SIR system. Refer to SIR Disabling and Enabling Zone 6.