Operation CHARM: Car repair manuals for everyone.
Manuals through 2025 now available!

Our trusted friends have launched a new website named LEMON, which has newer manuals. It also contains all the CHARM manuals.

LEMON is the spiritual successor to CHARM, I recommend you try it!

Link: lemon-manuals.la or lemon-manuals.org.ua

(Some people have issue connecting. LEMON is investigating. For now, use Firefox or change your DNS server)

Or, hide this message: temporarily or permanently

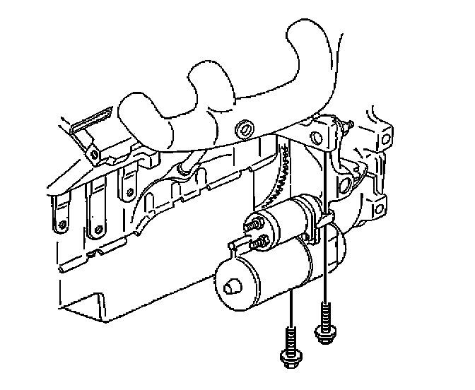
Starter Motor: Service and Repair

REMOVAL PROCEDURE

IMPORTANT: This vehicle uses the PG260 F1 starter motor. The starter motor is serviced only as a complete unit.

1. Disconnect the battery ground (negative) cable from the battery.
2. Raise and suitably support the vehicle. Refer to Lifting and Jacking the Vehicle.
3. Remove radiator air baffle assembly.




4. Remove the starter motor BAT terminal nut and electrical leads.
5. Remove the starter motor S terminal nut and electrical lead.
6. Remove the torque converter cover.




7. Remove the starter motor bolts.
8. Remove the starter motor.

INSTALLATION PROCEDURE




1. Install the starter motor.
2. Install the starter motor bolts.

NOTE: Refer to Fastener Notice in Service Precautions.

Tighten
Tighten the starter motor bolts to 47 N.m (35 lb ft).

3. Install the torque converter cover.




4. Install the starter motor S terminal electrical lead and nut.

Tighten
Tighten the starter motor solenoid S terminal nut to 3 N.m (27 lb in).

5. Install the starter motor BAT terminal electrical leads and nut.

Tighten
Tighten the starter motor solenoid BAT terminal nut to 10 N.m (89 lb in).

6. Install radiator air baffle assembly.
7. Lower the vehicle.
8. Install the battery ground (negative) cable to the battery.