Operation CHARM: Car repair manuals for everyone.
Manuals through 2025 now available!

Our trusted friends have launched a new website named LEMON, which has newer manuals. It also contains all the CHARM manuals.

LEMON is the spiritual successor to CHARM, I recommend you try it!

Link: lemon-manuals.la or lemon-manuals.org.ua

(Some people have issue connecting. LEMON is investigating. For now, use Firefox or change your DNS server)

Or, hide this message: temporarily or permanently

Fluid Pan: Service and Repair

Oil Pan Replacement

Removal Procedure

Notice: Do NOT use any type of grease to retain parts during the assembly of this unit. Using greases other than the recommended assembly lube changes the transaxle fluid characteristics. Using greases other than the recommended assembly lube causes undesirable shift conditions and/or filter clogging. Use TRANSJEL J36850 or equivalent during the assembly of this unit.

1. Raise and support the vehicle. Refer to Vehicle Lifting.
2. Place a drain pan under the transaxle bottom oil pan.
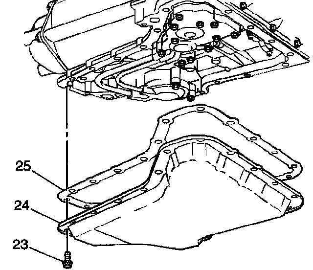
3. Remove the oil pan bolts (23) from the front.
4. Remove the oil pan bolts from the sides.
5. Loosen the rear oil pan bolts approximately four turns.

Notice: Ensure care is taken NOT to damage the mating surfaces of the oil pan and of the case or oil leaks may occur.

6. Use a rubber mallet to lightly tap the oil pan or use a screwdriver to pry the oil pan loose.
7. Allow the fluid to drain.





8. Remove the remaining oil pan bolts (23).
9. Remove the oil pan (24).
10. Remove the oil pan gasket (25).
11. Inspect the oil pan and the filter screen for the following foreign material:
^ Inspect for metal particles.
^ Inspect for clutch facing material.
^ Inspect for rubber particles.
^ Inspect for engine coolant.

12. Determine the source of the contamination if foreign material is evident.
13. Correct the source of the contamination.





14. Inspect the oil pan flange (1) for distortion.
15. Replace the oil pan (1) if bent or distorted. Do not attempt to straighten.





16. Inspect the washers on the bolts when service requires the removal of the bottom oil pan.





17. Install a new bolt and washer assembly if the washer is inverted.





18. Inspect the oil pan (24) for the following conditions:
^ A damaged sealing surface
^ A dented or cracked bottom surface

19. Inspect the oil pan gasket (25) for the following conditions:
^ A bent or damaged seal core
^ A damaged rubber seal surface
^ A damaged gasket

20. Inspect the oil pan magnet (26) for the towing conditions:
^ Damage
^ Misalignment

21. Clean the oil pan, the gasket and the magnet in order to remove any sediment.

Notice: Ensure the oil pan and the case flanges are dry and are free of any oil film or leakage may result.

22. Use solvent to clean the case.
23. Air dry the case.
24. Use solvent to clean the oil pan gasket surfaces.
25. Air dry the oil pan gasket surfaces.
26. Ensure all traces of the old gasket material are removed.

Installation Procedure





1. Install the oil pan gasket (25).
2. Install the oil pan (24).

Notice: Refer to Fastener Notice in Service Precautions.

3. Install the oil pan bolts (23).
Tighten the oil pan bolts (23) to 14 Nm (10 ft. lbs.).
4. Lower the vehicle.
5. Fill the transaxle with the proper quantity of DEXRON III.
6. Place the gear selector in the Park position.
7. Start the engine.
8. Run the engine at a slow idle. Do NOT race the engine.

Notice: Do NOT overfill the transaxle. The overfilling of the transaxle causes foaming, loss of fluid, shift complaints, and possible damage to the transaxle.

9. Adjust the fluid level.
10. Inspect for proper completion of the repairs.
11. Inspect the fluid for leaks.