Operation CHARM: Car repair manuals for everyone.
Manuals through 2025 now available!

Our trusted friends have launched a new website named LEMON, which has newer manuals. It also contains all the CHARM manuals.

LEMON is the spiritual successor to CHARM, I recommend you try it!

Link: lemon-manuals.la or lemon-manuals.org.ua

(Some people have issue connecting. LEMON is investigating. For now, use Firefox or change your DNS server)

Or, hide this message: temporarily or permanently

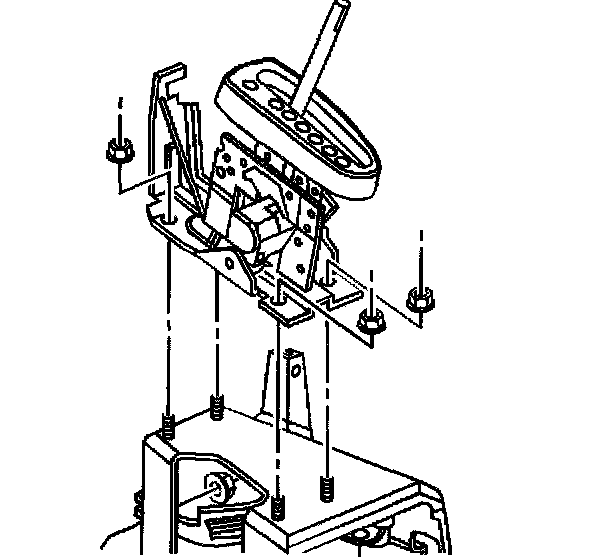
Shift Linkage: Service and Repair

Floor Shift Control Replacement

Removal Procedure
1. Remove the console trim plate.





2. Use a flat-bladed tool in order to remove the shift cable end from the shift control lever.





3. Remove the shift control cable from the shift control.
4. Remove the shift control wire harness from the shift control.
5. Remove the shift control fasteners.
6. Remove the shift control.

Installation Procedure





1. Install the shift control.

Notice: Refer to Fastener Notice in Service Precautions.

2. Install the shift control nuts.
Tighten the nuts to 10 Nm (89 inch lbs.).





3. Install the shift cable to the shift control.
4. Install the shift control wire harness to the shift control.
5. Adjust the shift control cable as necessary.
6. Install the console trim plate.