Operation CHARM: Car repair manuals for everyone.
Manuals through 2025 now available!

Our trusted friends have launched a new website named LEMON, which has newer manuals. It also contains all the CHARM manuals.

LEMON is the spiritual successor to CHARM, I recommend you try it!

Link: lemon-manuals.la or lemon-manuals.org.ua

(Some people have issue connecting. LEMON is investigating. For now, use Firefox or change your DNS server)

Or, hide this message: temporarily or permanently

Transfer Case and/or Seal Replacement

Transfer Case and/or Seal Replacement

Tools Required
^ J36660-A Torque Angle Meter
^ J44467 Slide Hammer
^ J6125-1B Slide Hammer Adapter
^ J44755 Holding Fixture

Removal Procedure





Important: Transmission oil circulates between the transmission and the transfer case. In situations where transmission failures circulate debris into the transfer case, the transfer case must be disassembled, cleaned, and inspected for damage.

1. Raise and Support the vehicle. Refer to Vehicle Lifting.
2. Remove the propeller shaft.





3. Remove the drain plug (1) drain the transfer case oil.
4. Remove the drain plug (1) in order to drain the transmission fluid.
5. Disconnect the vehicle speed sensor electrical connector.
6. Remove the transfer case brace.





7. Remove the vent tube clamp (1).
8. Separate the vent tube from the vent tube bracket.
9. Remove the vent tube from the transfer case.

Notice: Removal and installation of the transfer case while the transmission is in vehicle may cause improper positioning of the park gear thrust bearing. If the transfer case fasteners are tightened while the park gear thrust bearing is out of position, the park gear thrust bearing, transmission, and/or the transfer case will be damaged.

10. Remove the transfer case with the transaxle.
11. Install the transaxle to the transmission support fixture.





12. Remove and discard the left output shaft retaining ring (1).





13. Rotate the transaxle 90 degrees so that the transmission side cover is facing down.





14. Rotate the transaxle 90 degrees.
15. Remove the transfer case side brace bolts (1 through 5), and the transfer case side brace (6).





16. Remove the transfer case bolts (1 through 5).

Caution: This component weighs approximately 60 lbs. Personal injury may result if you lift the component improperly.

Notice: During removal of the transfer case/output shaft, do not use excessive force or damage to the bushings may occur.





17. Remove the transfer case (1) with the output shaft (2) from the transaxle (3).





18. Install the transfer case assembly to the J44755.

Notice: Refer to Fastener Notice in Service Precautions.

19. Install the retaining bolts.
Tighten the bolts to 50 Nm (37 ft. lbs.).





20. Attach the J6125-1B to the J44467.
21. Install the J44467 into the snap ring groove on the output shaft (510) and tighten securely.
22. Use the J6125- 1B and the J44467 to remove the output shaft.
23. Remove the output shaft from the transfer case. Perform these steps.





24. Remove the transfer case seal (1) from the transfer case (2).





25. If you are replacing the transfer case. remove the transfer case lower brace bolts (903) and the lower brace (906).

Installation Procedure

Important: If you are replacing anything other than gaskets or seals, the transmission to transfer case end play check must be performed.





1. If you are replacing the transfer case, install the transfer case lower brace (906) and the lower brace bolts (903). Do not tighten the bolts.





2. Install a new seal transfer case seal (1).





3. Rotate the transaxle 90 degrees.

Caution: This component weighs approximately 60 lbs. Personal injury may result if you lift the component improperly.

4. Install the transfer case to the transaxle.

Notice: Refer to Fastener Notice in Service Precautions.





5. Install the transfer case bolts (1) and (2).
5.1. Tighten the bolts to 35 Nm (26 ft. lbs.).
5.2. Use the J36660-A to rotate the bolts 160 degrees.
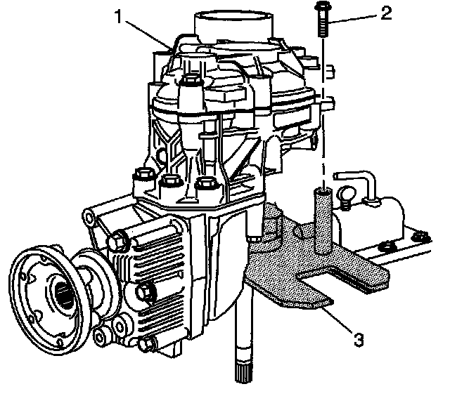
6. Install the transfer case bolt (3).
6.1. Tighten the bolt to 35 Nm (26 ft. lbs.).
6.2. Use the J36660-A to rotate the bolts 70 degrees.
7. Install the transfer case bolts (4) and (5).
Tighten the bolts to 40 Nm (30 ft. lbs.).





8. Install the transfer case side brace (905).
9. Install and tighten the transfer case side brace bolts in the order shown.
Tighten transfer case side brace bolts to 32 Nm (24 ft. lbs.).





10. Install the transfer case lower brace to transaxle bolt (1).
Tighten the bolt to 56 Nm (42 ft. lbs.).





11. Tighten the transfer case lower brace to transfer case bolts (903).
Tighten the bolts to 32 Nm (24 ft. lbs.).
12. Install the output shaft to the transmission.





13. Install a new output shaft retaining ring (1).
14. Install the transaxle with the transfer case.





15. Install the vent hose (2) and the clamp (1) to the transfer case.
16. Install the vehicle speed sensor electrical connector.
17. Install the propeller shaft.
18. Install the transfer case drain Plug and fill the transfer case with the specified synthetic gear oil.





19. Install the drain plug (1) and gasket to the case.
Tighten the drain plug to 32 Nm (24 ft. lbs.).
20. Install the transfer case lower brace.
21. Lower the vehicle.
22. Inspect and adjust the transmission fluid level.