Operation CHARM: Car repair manuals for everyone.
Manuals through 2025 now available!

Our trusted friends have launched a new website named LEMON, which has newer manuals. It also contains all the CHARM manuals.

LEMON is the spiritual successor to CHARM, I recommend you try it!

Link: lemon-manuals.la or lemon-manuals.org.ua

(Some people have issue connecting. LEMON is investigating. For now, use Firefox or change your DNS server)

Or, hide this message: temporarily or permanently

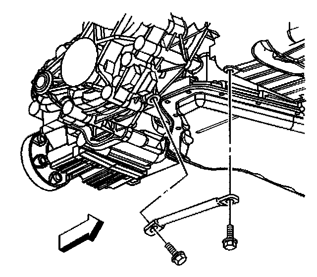
Transfer Case Mount: Service and Repair

Support Brace Replacement

Steyr Transfer Case

Removal Procedure
1. Raise and support the vehicle. Refer to Vehicle Lifting.





2. Remove the transaxle brace bolts.
3. Remove the transaxle brace.

Installation Procedure
1. Install the transaxle brace.

Notice: Refer to Fastener Notice in Service Precautions.





2. Install the transaxle brace bolts.
Tighten the bolts to 47 Nm (35 ft. lbs.).
3. Lower the vehicle.