Operation CHARM: Car repair manuals for everyone.
Manuals through 2025 now available!

Our trusted friends have launched a new website named LEMON, which has newer manuals. It also contains all the CHARM manuals.

LEMON is the spiritual successor to CHARM, I recommend you try it!

Link: lemon-manuals.la or lemon-manuals.org.ua

(Some people have issue connecting. LEMON is investigating. For now, use Firefox or change your DNS server)

Or, hide this message: temporarily or permanently

Timing Cover: Service and Repair

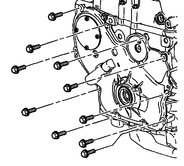
Engine Front Cover Replacement





1. Remove the crankcase balancer.
2. Remove the drive belt tensioner.





3. Remove the engine front cover to water pump bolt.





4. Remove the remaining engine front cover bolts.
5. Remove the engine front cover gasket if it is damaged.

Installation Procedure





1. If removed install the front cover gasket.
2. Install the engine front cover.

Notice: Refer to Fastener Notice in Service Precautions.





3. Install the engine front cover to water pump bolt.
Tighten the engine front cover to water pump bolt to 20 Nm (15 ft. lbs.).





4. Install the remaining engine front cover bolts.
Tighten the remaining engine front cover bolts to 20 Nm (15 ft. lbs.).
5. Install the drive belt tensioner.





6. Install the drive belt tensioner bolt.
Tighten the drive belt tensioner bolt to 45 Nm (33 ft. lbs.).
7. Install the crankcase balancer.