Operation CHARM: Car repair manuals for everyone.
Manuals through 2025 now available!

Our trusted friends have launched a new website named LEMON, which has newer manuals. It also contains all the CHARM manuals.

LEMON is the spiritual successor to CHARM, I recommend you try it!

Link: lemon-manuals.la or lemon-manuals.org.ua

(Some people have issue connecting. LEMON is investigating. For now, use Firefox or change your DNS server)

Or, hide this message: temporarily or permanently

Fuel System

FUEL SYSTEM OVERVIEW
The fuel tank stores the fuel supply. The electric fuel pump supplies fuel through an in-line fuel filter to the fuel injection system. The fuel pump provides fuel at a higher rate of flow than is needed by the fuel injection system. The fuel pressure regulator maintains the correct fuel pressure to the fuel injection system. A separate pipe returns unused fuel to the fuel tank.







FUEL TANK
The fuel tank stores the fuel supply. The fuel tank is located in the rear of the vehicle. The fuel tank is held in place by 2 metal straps that attach to the frame. The fuel tank is molded from high-density polyethylene.

FUEL FILL PIPE
The fuel fill pipe has a built-in restrictor in order to prevent refueling with leaded fuel.



FUEL FILLER CAP

NOTE: If a fuel tank filler cap requires replacement, use only a fuel tank filler cap with the same features. Failure to use the correct fuel tank filler cap can result in a serious malfunction of the fuel and EVAP system.

The fuel fill pipe has a tethered fuel filler cap. A torque-limiting device prevents the cap from being over-tightened. To install the cap, turn the cap clockwise until you hear audible clicks. This indicates that the cap is correctly torqued and fully seated. A fuel filler cap that is not fully seated may cause a malfunction in the emission system.




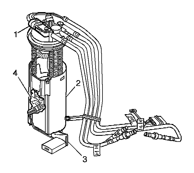
Fuel Sender Assembly:






FUEL SENDER ASSEMBLY
The fuel sender assembly consists of the following major components:
- The fuel level sensor (4)
- The fuel tank pressure (FTP) sensor (1)
- The fuel pump module (2)
- The fuel strainer (3)



Fuel Level Sensor:






FUEL LEVEL SENSOR
The fuel level sensor consists of a float, a wire float arm, and a ceramic resistor card. The position of the float arm indicates the fuel level. The fuel level sensor contains a variable resistor which changes resistance in correspondence with the position of the float arm. The control module sends the fuel level information via the Class 2 circuit to the instrument panel cluster (IPC). This information is used for the IPC fuel gage and the low fuel warning indicator, if applicable. The control module also monitors the fuel level input for various diagnostics.



FUEL PUMP
The fuel pump is mounted in the fuel sender assembly reservoir. The fuel pump is an electric high-pressure pump. Fuel is pumped to the fuel injection system at a specified flow and pressure. Excess fuel from the fuel injection system returns to the fuel tank through the fuel return pipe. The fuel pump delivers a constant flow of fuel to the engine even during low fuel conditions and aggressive vehicle maneuvers. The control module controls the electric fuel pump operation through a fuel pump relay. The fuel pump flex pipe acts to dampen the fuel pulses and noise generated by the fuel pump.


FUEL STRAINER
The fuel strainer attaches to the lower end of the fuel sender. The fuel strainer is made of woven plastic. The functions of the fuel strainer are to filter contaminants and to wick fuel. The fuel strainer normally requires no maintenance. Fuel stoppage at this point indicates that the fuel tank contains an abnormal amount of sediment or contamination.







FUEL FILTER
The fuel filter is located on the fuel feed pipe, between the fuel pump and the fuel injectors. The paper filter element (2) traps particles in the fuel that may damage the fuel injection system. The filter housing (1) is made to withstand maximum fuel system pressure, exposure to fuel additives, and changes in temperature.


FUEL FEED AND RETURN PIPES
The fuel feed pipe carries fuel from the fuel tank to the fuel injection system. The fuel return pipe carries fuel from the fuel injection system back to the fuel tank. The fuel pipes consist of 2 sections:
- The rear fuel pipe assemblies are located from the top of the fuel tank to the chassis fuel pipes. The rear fuel pipes are constructed of nylon.
- The chassis fuel pipes are located under the vehicle and connect the rear fuel pipes to the fuel injection system. The chassis fuel pipes are constructed of steel.



NYLON FUEL PIPES

CAUTION: In order to reduce the risk of fire and personal injury observe the following items:
- Replace all nylon fuel pipes that are nicked, scratched or damaged during installation, do not attempt to repair the sections of the nylon fuel pipes
- Do not hammer directly on the fuel harness body clips when installing new fuel pipes. Damage to the nylon pipes may result in a fuel leak.
- Always cover nylon vapor pipes with a wet towel before using a torch near them. Also, never expose the vehicle to temperatures higher than 115°C (239°F) for more than one hour, or more than 90°C (194°F) for any extended period.
- Apply a few drops of clean engine oil to the male pipe ends before connecting fuel pipe fittings. This will ensure proper reconnection and prevent a possible fuel leak. (During normal operation, the O-rings located in the female connector will swell and may prevent proper reconnection if not lubricated.)


Nylon pipes are constructed to withstand maximum fuel system pressure, exposure to fuel additives, and changes in temperature. There are 3 sizes of nylon pipes used:
- 9.53 mm (3/8 in) ID for the fuel feed
- 7.94 mm (5/16 in) ID for the fuel return
- 12.7 mm (1/2 in) ID for the vent

Heat resistant rubber hose or corrugated plastic conduit protect the sections of the pipes that are exposed to chafing, high temperature, or vibration.

Nylon fuel pipes are somewhat flexible and can be formed around gradual turns under the vehicle. However, if nylon fuel pipes are forced into sharp bends, the pipes kink and restrict the fuel flow. Also, once exposed to fuel, nylon pipes may become stiffer and are more likely to kink if bent too far. Take special care when working on a vehicle with nylon fuel pipes.

QUICK-CONNECT FITTINGS
Quick-connect fittings provide a simplified means of installing and connecting fuel system components. The fittings consist of a unique female connector and a compatible male pipe end. O-rings, located inside the female connector, provide the fuel seal. Integral locking tabs inside the female connector hold the fittings together.

FUEL PIPE O-RINGS
O-rings seal the threaded connections in the fuel system. The fuel system O-ring seals are made of special material. Service the O-ring seals with the correct service part.







FUEL RAIL ASSEMBLY
The fuel rail assembly (1) attaches to the engine intake manifold. The fuel rail assembly performs the following functions:
- Positions the injectors (5) in the intake manifold
- Distributes fuel evenly to the injectors
- Integrates the fuel pressure regulator into the fuel metering system








FUEL INJECTORS
The fuel injector assembly is a solenoid device controlled by the control module that meters pressurized fuel to a single engine cylinder. The control module energizes the high-impedance, 12 ohms, injector solenoid (4) to open a normally closed ball valve (1). This allows fuel to flow into the top of the injector, past the ball valve, and through a director plate (3) at the injector outlet. The director plate has machined holes that control the fuel flow, generating a spray of finely atomized fuel at the injector tip (2). Fuel from the injector tip is directed at the intake valve, causing the fuel to become further atomized and vaporized before entering the combustion chamber. This fine atomization improves fuel economy and emissions. The fuel pressure regulator compensates for engine load by increasing fuel pressure as the engine vacuum drops.








FUEL PRESSURE REGULATOR ASSEMBLY
The fuel pressure regulator is a diaphragm relief valve. The diaphragm has fuel pressure on one side and regulator spring pressure on the other side. Fuel pressure is controlled by a pressure balance across the regulator. The fuel system pressure is constant. A software bias compensates the injector on-time based on the signal from the MAP sensor.



FUEL METERING MODES OF OPERATION
The control module monitors voltages from several sensors in order to determine how much fuel to give the engine. The control module controls the amount of fuel delivered to the engine by changing the fuel injector pulse width. The fuel is delivered under one of several modes.

Starting Mode
When the ignition is first turned ON, the control module energizes the fuel pump relay for 2 seconds. This allows the fuel pump to build pressure in the fuel system. The control module calculates the air/fuel ratio based on inputs from the engine coolant temperature (ECT), manifold absolute pressure (MAP), and throttle position (TP) sensors. The system stays in starting mode until the engine speed reaches a predetermined RPM.

Clear Flood Mode
If the engine floods, clear the engine by pressing the accelerator pedal down to the floor and then crank the engine. When the TP sensor is at wide open throttle (WOT), the control module reduces the fuel injector pulse width in order to increase the air to fuel ratio. The control module holds this injector rate as long as the throttle stays wide open and the engine speed is below a predetermined RPM. If the throttle is not held wide open, the control module returns to the starting mode.

Run Mode
The run mode has 2 conditions called Open Loop and Closed Loop. When the engine is first started and the engine speed is above a predetermined RPM, the system begins Open Loop operation. The control module ignores the signal from the heated oxygen sensor (HO2S). The control module calculates the air/fuel ratio based on inputs from the ECT, MAP, and TP sensors. The system stays in Open Loop until meeting the following conditions:
- The HO2S has varying voltage output, showing that the HO2S is hot enough to operate properly.
- The ECT sensor is above a specified temperature.
- A specific amount of time has elapsed after starting the engine.

Specific values for the above conditions exist for each different engine, and are stored in the electrically erasable programmable read-only memory (EEPROM). The system begins Closed Loop operation after reaching these values. In Closed Loop, the control module calculates the air/fuel ratio, injector ON time, based upon the signal from various sensors, but mainly from the HO2S. This allows the air/fuel ratio to stay very close to 14.7:1.

Acceleration Mode
When the driver pushes on the accelerator pedal, air flow into the cylinders increases rapidly. To prevent possible hesitation, the control module increases the pulse width to the injectors to provide extra fuel during acceleration. This is also known as power enrichment. The control module determines the amount of fuel required based upon the TP, the ECT, the MAP, and the engine speed.

Deceleration Mode
When the driver releases the accelerator pedal, air flow into the engine is reduced. The control module monitors the corresponding changes in the TP, and the MAP. The control module shuts OFF fuel completely if the deceleration is very rapid, or for long periods, such as long, closed-throttle coast-down. The fuel shuts OFF in order to prevent damage to the catalytic converters.

Battery Voltage Correction Mode
When the battery voltage is low, the control module compensates for the weak spark delivered by the ignition system in the following ways:
- Increasing the amount of fuel delivered
- Increasing the idle RPM
- Increasing the ignition dwell time

Fuel Cutoff Mode
The control module cuts OFF fuel from the fuel injectors when the following conditions are met in order to protect the powertrain from damage and improve driveability:
- The ignition is OFF. This prevents engine run-on.
- The ignition is ON but there is no ignition reference signal. This prevents flooding or backfiring.
- The engine speed is too high, above red line.
- The vehicle speed is too high, above rated tire speed.
- During an extended, high speed, closed throttle coast down-This reduces emissions and increases engine braking.
- During extended deceleration, in order to prevent damage to the catalytic converters

FUEL TRIM
The control module controls the air/fuel metering system in order to provide the best possible combination of driveability, fuel economy, and emission control. The control module monitors the HO2S signal voltage while in Closed Loop and regulates the fuel delivery by adjusting the pulse width of the injectors based on this signal. The ideal fuel trim values are around 0 percent for both short and long term fuel trim. A positive fuel trim value indicates the control module is adding fuel in order to compensate for a lean condition by increasing the pulse width. A negative fuel trim value indicates that the control module is reducing the amount of fuel in order to compensate for a rich condition by decreasing the pulse width. A change made to the fuel delivery changes the long and short term fuel trim values. The short term fuel trim values change rapidly in response to the HO2S signal voltage. These changes fine tune the engine fueling. The long term fuel trim makes coarse adjustments to fueling in order to re-center and restore control to short term fuel trim. A scan tool can be used to monitor the short and long term fuel trim values. The long term fuel trim diagnostic is based on an average of several of the long term speed load learn cells. The control module selects the cells based on the engine speed and engine load. If the control module detects an excessively lean or rich condition, the control module will set a fuel trim diagnostic trouble code (DTC).