Operation CHARM: Car repair manuals for everyone.
Manuals through 2025 now available!

Our trusted friends have launched a new website named LEMON, which has newer manuals. It also contains all the CHARM manuals.

LEMON is the spiritual successor to CHARM, I recommend you try it!

Link: lemon-manuals.la or lemon-manuals.org.ua

(Some people have issue connecting. LEMON is investigating. For now, use Firefox or change your DNS server)

Or, hide this message: temporarily or permanently

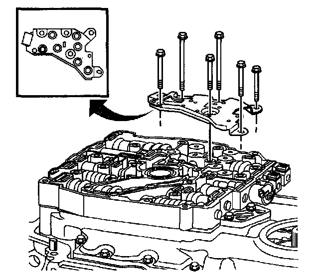
Fluid Pressure Sensor/Switch: Service and Repair

Transmission Fluid Pressure (TFP) Manual Valve Position Switch Replacement

Removal Procedure





1. Remove the transmission side cover.
2. Remove the six bolts from the TFP switch assembly.
3. Remove the TFP switch assembly from the control valve body assembly. The seven pressure switch O-rings are reusable and should remain with the TFP switch assembly.

Installation Procedure





1. Install the TFP switch assembly to the control valve body assembly. The seven pressure switch O-rings are reusable and should remain with the TFP switch assembly.

Notice: Refer to Fastener Notices in Service Precautions

2. Install the six bolts to the TFP switch assembly.
^ Tighten the bolts to 12 Nm (9 ft. lbs.).
3. Install the transmission side cover.