Generator Replacement
The generator does not require periodic lubrication. The rotor shaft is mounted on bearings. Each bearing contains a permanent grease supply. Periodically check the mounting bolts for tightness, and the drive belt tension. The drive belt is self-adjusting, within the operating limits of the tensioner. Refer to Drive Belt Tensioner Diagnosis for tensioner information.Removal Procedure
1. Disconnect the negative battery cable.
IMPORTANT: Service the CS-130D generator as a complete unit.
2. Remove the drive belt.
3. Remove the generator electrical connections.
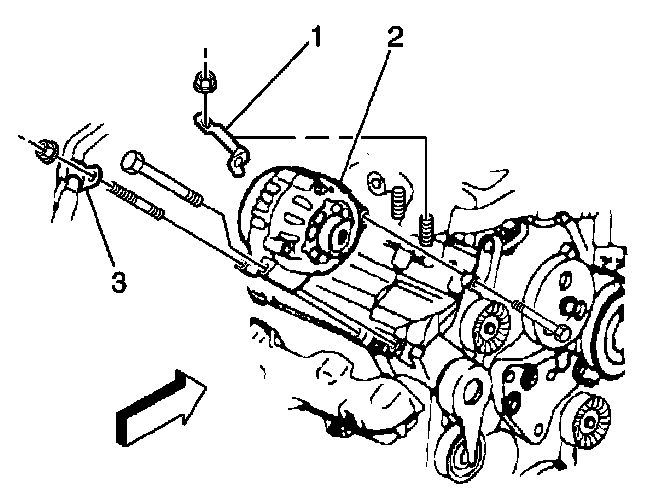
4. Remove the power steering line clip (3).
5. Remove the generator mounting nuts and bolts.
6. Remove the generator (2).
Installation Procedure
1. Install the generator (2).
NOTE: Refer to Fastener Notice in Service Precautions. Fastener Notice
Tighten
- Tighten the bolts to 50 N.m (37 lb ft).
- Tighten the nuts to 30 N.m (22 lb ft).
1. Install the generator electrical connections.
2. Install the power steering line clip (3).
3. Install the drive belt.
4. Connect the negative battery cable.