Operation CHARM: Car repair manuals for everyone.
Manuals through 2025 now available!

Our trusted friends have launched a new website named LEMON, which has newer manuals. It also contains all the CHARM manuals.

LEMON is the spiritual successor to CHARM, I recommend you try it!

Link: lemon-manuals.la or lemon-manuals.org.ua

(Some people have issue connecting. LEMON is investigating. For now, use Firefox or change your DNS server)

Or, hide this message: temporarily or permanently

Fluid Line/Hose: Service and Repair

Transmission Fluid Cooler Hose/Pipe Replacement

Removal Procedure

Notice: Allow sufficient clearance around the transaxle oil cooler pipes and around the hoses to prevent damage or wear which may cause fluid loss.

1. Raise and support the vehicle. Refer to Vehicle Lifting.
2. Position the drain pan under the transaxle.
3. Remove the lower radiator air deflector.

Important: Perform the following procedures when removing the retaining ring and the oil cooler pipe from the quick connect fitting on the transmission.

4. Pull the plastic cap back from the quick connect fitting and down along the oil cooler pipe about two inches.





5. Using a bent-tip screwdriver, pull on one of the open ends of the retaining ring in order to rotate the retaining ring around the quick connect fitting until the retaining ring is out of position and can be completely removed.





6. Remove the retaining ring from the quick connect fitting.
7. Discard the retaining ring.





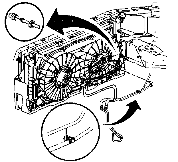
8. Remove the retaining bracket bolt (5) from the transaxle oil cooler hose/pipe retaining bracket (1).
9. Remove the oil cooler pipes (3,4) from the oil cooler fittings (2).





10. Remove the oil cooler pipes from the fittings at the radiator.
11. Remove the oil cooler hose/pipes from the retaining clip.
12. Remove the oil cooler hose/pipes from the vehicle.

Installation Procedure

Important: Do not reuse arty of the existing retaining rings that were removed from the existing quick connect fittings. Install NEW retaining rings.

1. Install a new retaining ring into the quick connect fitting using the following procedure.





2. Hook one of the open ends of retaining ring into one of the slots in the quick connect fitting.





3. Rotate the retaining ring around the fitting until the ring is positioned with all 3 ears through the 3 slots on the fitting.





4. Do not install the new retaining ring onto the fitting by pushing the retaining ring.





5. Ensure that the 3 ears are seen from inside the fitting and that the ring moves freely in the fitting slots.
6. Install the new retaining ring into the remaining quick connect fittings.





7. Install the oil cooler hose/pipes to the retaining clip.

Notice: Ensure that the cooler line being installed has a plastic cap on each end that connects to a quick connect fitting. If no plastic cap exists, or the plastic cap is damaged, obtain a new plastic cap and position on to the cooler line prior to the cooler line installation.

Important: Do not use the plastic cap to install the oil cooler pipe into the fitting.

8. Install the oil cooler pipe into the quick connect fitting at the radiator.





9. Insert the oil cooler pipe end into the quick connect fitting until a click is either heard or fell
10. Pull back sharply on the oil cooler pipe in order ensure that the pipe is fastened into the quick connect fitting.





11. Install the plastic cap onto the fitting. Do not manually depress the retaining ring when instal the cap onto the fitting.
12. Ensure that the cap is fully seated against the fitting.





13. Ensure that no gap is present between the cap and the fitting.





14. Ensure that the yellow identification band on the tube is hidden within the quick connect fitting. A hidden yellow identification band indicates proper joint seating.





15. Install the oil cooler pipes (3,4) to the oil cooler fittings (2).

Notice: Refer to Fastener Notice in Service Precautions.

16. Install the transaxle oil cooler hose/pipes retaining bracket bolt (5).
Tighten the bolt to 4 Nm (27 inch lbs.).
17. Install the lower radiator air deflector.
18. Remove the drain pan from under the vehicle.
19. Lower the vehicle.

Notice: Refer to Transmission Overfill Notice in Service Precautions.

20. Adjust the fluid level.
21. Inspect for proper completion of the repairs.
22. Inspect for fluid leaks.