Operation CHARM: Car repair manuals for everyone.
Manuals through 2025 now available!

Our trusted friends have launched a new website named LEMON, which has newer manuals. It also contains all the CHARM manuals.

LEMON is the spiritual successor to CHARM, I recommend you try it!

Link: lemon-manuals.la or lemon-manuals.org.ua

(Some people have issue connecting. LEMON is investigating. For now, use Firefox or change your DNS server)

Or, hide this message: temporarily or permanently

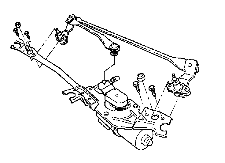
Wiper Gear Box: Service and Repair

WIPER MOTOR REPLACEMENT

REMOVAL PROCEDURE
1. Remove the air inlet grille panel.
2. Remove the wiper drive system module.




3. Remove the wiper transmission caps.
4. Remove the wiper transmission screws.
5. Remove the wiper transmission from the wiper drive system module tube frame.

INSTALLATION PROCEDURE




1. Position the wiper transmission to the wiper drive system module tube frame.
2. Install wiper transmission screws.

NOTE: Refer to Fastener Notice in Service Precautions.

Tighten
Tighten the screws to 9 N.m (80 lb in).

3. Install the wiper transmission caps.
4. Install the wiper drive system module.
5. Install the air inlet grille panel.
6. Operate the windshield wipers and inspect for proper operation.