Operation CHARM: Car repair manuals for everyone.
Manuals through 2025 now available!

Our trusted friends have launched a new website named LEMON, which has newer manuals. It also contains all the CHARM manuals.

LEMON is the spiritual successor to CHARM, I recommend you try it!

Link: lemon-manuals.la or lemon-manuals.org.ua

(Some people have issue connecting. LEMON is investigating. For now, use Firefox or change your DNS server)

Or, hide this message: temporarily or permanently

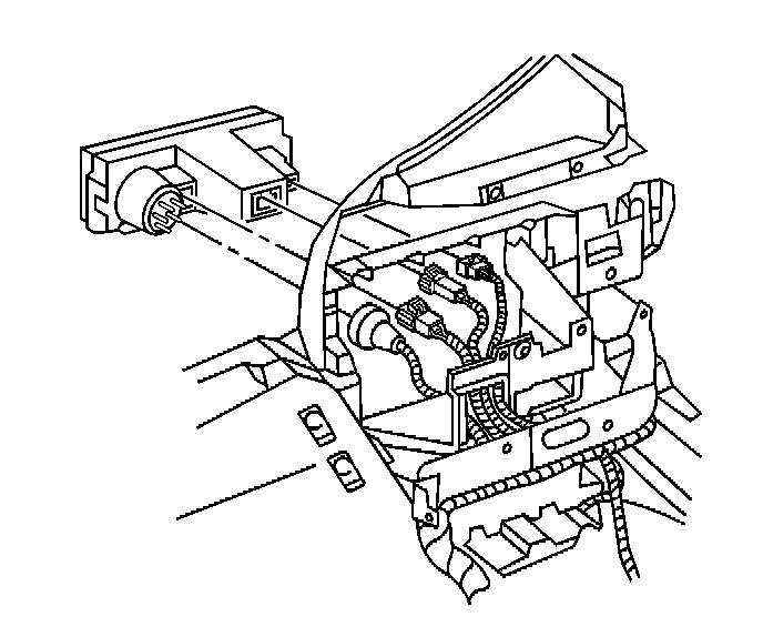
Control Assembly: Service and Repair

REMOVAL PROCEDURE
1. Remove the instrument panel accessory trim plate.

Steps 18-19:




2. Remove the retaining screws from the HVAC control module.
3. Pull the HVAC control module out from the instrument panel.




4. Disconnect the electrical connectors from the HVAC control module.
5. Disconnect the vacuum connectors from the HVAC from the HVAC control module.
6. Remove the HVAC control module.

INSTALLATION PROCEDURE




1. Connect the electrical connectors to the HVAC control module.
2. Connect the vacuum connectors to the HVAC control module.




3. Install the HVAC control module into the instrument panel.
4. Install the retaining screws to secure the HVAC control module.

NOTE: Refer to Fastener Notice in Service Precautions.

Tighten
Tighten the HVAC control module screw to 2 N.m (18 lb in).

5. Install the instrument panel accessory trim plate.