Operation CHARM: Car repair manuals for everyone.
Manuals through 2025 now available!

Our trusted friends have launched a new website named LEMON, which has newer manuals. It also contains all the CHARM manuals.

LEMON is the spiritual successor to CHARM, I recommend you try it!

Link: lemon-manuals.la or lemon-manuals.org.ua

(Some people have issue connecting. LEMON is investigating. For now, use Firefox or change your DNS server)

Or, hide this message: temporarily or permanently

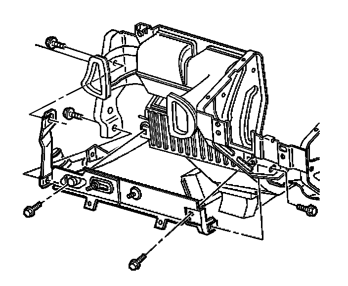
Housing Assembly HVAC: Service and Repair

TOOLS REQUIRED
- J 39400-A Halogen Leak Detector
- J 38185 Hose Clamp Pliers

REMOVAL PROCEDURE
1. Recover the refrigerant.
2. Disconnect the battery negative cable.
3. Remove the air cleaner assembly.
4. Remove the fuel injector sight shield (3.8L only).
5. Drain the cooling system.
6. Remove the I/P trim pad.
7. Remove the passenger side SIR inflator module.




8. Remove the screws from the right and left side air distribution duct.
9. Remove the right and left side air distribution duct.




10. Unclip the fuse block and position aside.
11. Remove the 2 screws below the fuse block that hold the main harness connector to the cross vehicle beam.
12. Remove the brake pedal.
13. Disconnect any ground wires, as necessary.
14. Remove the nuts and bolts from the steering column support bracket.
15. Remove the steering column support bracket from the cross vehicle beam.




16. Remove the retaining bolts and position the BCM bracket aside.
17. Release the wiring harness retaining clips from the cross vehicle beam and position the wiring harness out of the way.




18. Remove the retaining bolts from the center support bracket of the HVAC module.
19. Remove the center support bracket of the HVAC module.




20. Remove the retaining bolts from the upper support brackets of the HVAC module.




21. Remove the bolts which secure the left cross vehicle beam to the hinge pillar.




22. Remove the bolts which secure the right cross vehicle beam to the hinge pillar.




23. Remove the bolt (1) from the cross vehicle beam.
24. Remove the cross vehicle beam from the vehicle.




25. Remove the accumulator tube to evaporator core block fitting bolt.
26. Disconnect the accumulator tube from the evaporator.
27. Disconnect the evaporator tube from the evaporator.
28. Remove the O-rings seals and discard.




29. Use J 38185 in order to position aside the heater hose inlet and outlet clamp at the heater core.
30. Disconnect the inlet and outlet heater hose from the heater core.
31. Disconnect the vacuum hoses from the HVAC module assembly.
32. Disconnect the electrical connectors from the HVAC module assembly.




33. Remove the cover screws from the heater core outlet.

IMPORTANT: Position the heater core outlet cover downward and rearward in order to disconnect the cover from the rear area floor duct assembly.

34. Remove the cover from the heater core outlet.




35. Remove the evaporator drain elbow.




36. Remove the nuts which secure the HVAC control module to the dash.
37. Remove the HVAC control module.




38. Remove all of the seals (1,2,3) from the outer HVAC control module.

INSTALLATION PROCEDURE




1. Install new seals (1,2,3) to the outer HVAC control module.
2. Install the HVAC control module to the vehicle.




3. Install the nuts which secure the HVAC control module to the dash.

NOTE: Refer to Fastener Notice in Service Precautions.

Tighten
Tighten the nuts to 10 N.m (89 lb in).




4. Install the evaporator drain elbow.
5. Connect the vacuum hoses to the HVAC module assembly.
6. Connect the electrical connectors to the HVAC module assembly.




7. Install the heater core outlet cover.
8. Install the cover screws to the heater core outlet.

Tighten
Tighten the screws to 1.5 N.m (13 lb in).




9. Install the cross vehicle beam to the vehicle.




10. Install the bolts which secure the right cross vehicle beam to the hinge pillar.

IMPORTANT: Do NOT tighten the bolts at this time.




11. Install the bolts which secure the left cross vehicle beam to the hinge pillar.

Tighten
Tighten the bolts to 20 N.m(15 lb ft).




12. Install the bolt (1) to the cross vehicle beam.

Tighten
Tighten the bolt to 20 N.m (15 lb ft).




13. Install the bolts to the upper support brackets of the HVAC module.

Tighten
Tighten the bolts to 10 N.m (89 lb in).




14. Install the HVAC module center support bracket.
15. Install the bolts to the center support bracket of the HVAC module.

Tighten
Tighten the bolts to 10 N.m (89 lb in).

16. Install the instrument panel wiring harness on to the cross vehicle beam and secure the retaining clips.




17. Install the BCM bracket and bolts.

Tighten
Tighten the bolts to 10 N.m (89 lb in).




18. Install the fuse block to the holder.
19. Install the 2 screws below the fuse block that hold the main wiring harness connector to the cross vehicle beam.
20. Install the steering column support bracket to the cross vehicle beam.




21. Install the steering column support bracket nuts and bolts.

Tighten
Tighten the nuts and bolts to 50 N.m (37 lb ft).

22. Install the brake pedal.
23. Connect all disconnected ground wires.
24. Install the passenger side SIR inflator module.




25. Install the right and left side air distribution duct
26. Install the screws to the right and left side air distribution duct.

Tighten
Tighten the screws to 1.5 N.m (13 lb in).

27. Install the I/P trim pad.




28. Connect the inlet and outlet heater hose to the heater core.

IMPORTANT: Reposition the heater core hose clamps in the indicated location.

29. Use J 38185 in order to reposition the heater hose inlet and outlet clamp to the heater core.
30. Install the fuel injector sight shield (3.8L only).
31. Fill the cooling system.
32. Install new O-rings seals on the accumulator tube.




33. Connect the evaporator tube to the evaporator.
34. Connect the accumulator tube to the evaporator.
35. Install the accumulator tube to evaporator core block fitting bolt.

Tighten
Tighten the screws to 16 N.m (12 lb ft).

36. Install the air cleaner assembly.
37. Connect the battery negative cable.
38. Evacuate and recharge the A/C system.
39. Leak test the fittings of the component using J 39400-A.