Operation CHARM: Car repair manuals for everyone.
Manuals through 2025 now available!

Our trusted friends have launched a new website named LEMON, which has newer manuals. It also contains all the CHARM manuals.

LEMON is the spiritual successor to CHARM, I recommend you try it!

Link: lemon-manuals.la or lemon-manuals.org.ua

(Some people have issue connecting. LEMON is investigating. For now, use Firefox or change your DNS server)

Or, hide this message: temporarily or permanently

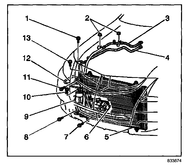
Housing Assembly HVAC: Service and Repair

HVAC MODULE ASSEMBLY REPLACEMENT

REMOVAL PROCEDURE

CAUTION: Refer to Battery Disconnect Caution in Service Precautions.




1. Disconnect the negative battery cable.
2. Discharge and recover the Refrigerant. Refer to Refrigerant Recovery and Recharging.
3. Drain the engine cooling system. Refer to Draining and Filling Cooling System in Cooling System.
4. Remove the heater hoses (2, 3) at the heater core.

IMPORTANT: Cap the open fittings in order to prevent dirt and moisture from entering the refrigeration system.




5. Remove the evaporator inlet (4) and outlet (3) tubes from the evaporator.
6. Remove the instrument panel assembly.
7. Remove the instrument panel reinforcement.




8. Disconnect the blower motor electrical connector.
9. Separate the rear heater ducts (3) from the HVAC module assembly (1).
10. Remove the four nuts (2).
11. Pull the HVAC module assembly forward and remove from the vehicle.

INSTALLATION PROCEDURE




1. Install the HVAC module assembly (1) to the vehicle.

NOTE: Refer to Fastener Notice in Service Precautions.

2. Install the four nuts (2).

Tighten
Tighten the nuts (2) to 10 N.m (89 lb in).

3. Connect the rear heater ducts (3) to the HVAC module assembly (1).
4. Connect the blower motor electrical connector.
5. Install the instrument panel reinforcement.
6. Install the instrument panel assembly.




7. Install new O-rings lubricated with mineral base 525 viscosity refrigerant oil.
8. Install the evaporator inlet (4) and outlet (3) tubes to the evaporator.




9. Install the heater hoses (2, 3) to the heater core.
10. Fill the cooling system. Refer to Draining and Filling Cooling System.
11. Evacuate and Recharge the A/C system. Refer to Refrigerant Recovery and Recharging.
12. Connect the negative battery cable.

Tighten
Tighten the negative battery cable to 15 N.m (11 lb ft).

13. Operate the A/C system and test for refrigerant leaks. Refer to Leak Testing.