Operation CHARM: Car repair manuals for everyone.
Manuals through 2025 now available!

Our trusted friends have launched a new website named LEMON, which has newer manuals. It also contains all the CHARM manuals.

LEMON is the spiritual successor to CHARM, I recommend you try it!

Link: lemon-manuals.la or lemon-manuals.org.ua

(Some people have issue connecting. LEMON is investigating. For now, use Firefox or change your DNS server)

Or, hide this message: temporarily or permanently

Ignition Coil: Service and Repair

REMOVAL PROCEDURE




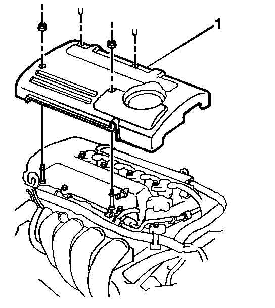
1. Remove the 2 fasteners.
2. Remove the 2 plastic retainers.
3. Remove the engine cover (1) from the engine.




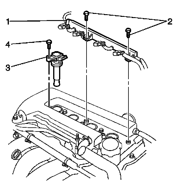
4. Disconnect the 4 electrical connectors from the ignition coils (3).
5. Remove the fasteners (4) from the ignition coils.
6. Remove the fasteners (2) from the electrical harness (1).
7. Remove the electrical harness package (1).
8. Remove the ignition coils (3) from the cylinder head.

INSTALLATION PROCEDURE




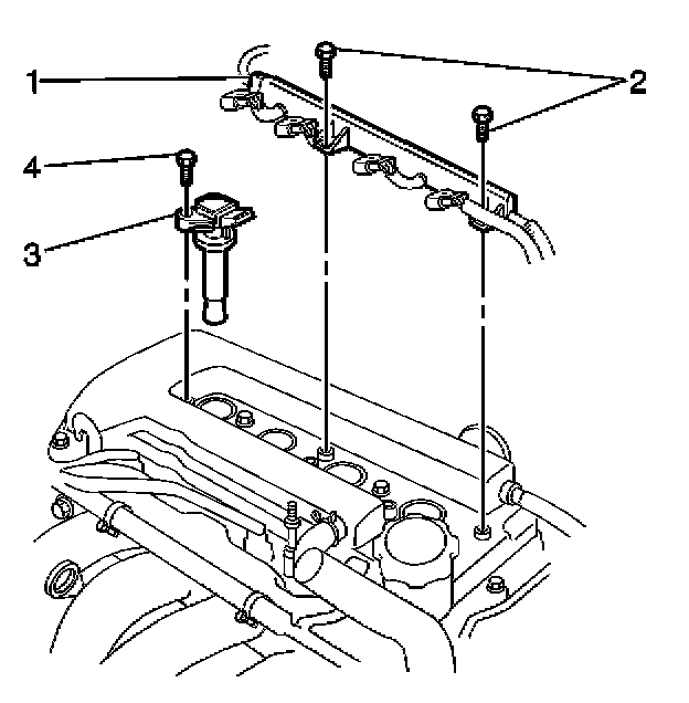
1. Install the ignition coils (3) to the engine.
2. Secure the ignition coils with the fasteners (4).

NOTE: Refer to Fastener Notice in Service Precautions.

Tighten
Tighten the ignition coil fasteners to 9 N.m (80 lb in).

3. Install the electrical harness (2) and secure with the 2 fasteners (1).

Tighten
Tighten the fasteners to 8.8 N.m (78 lb in).

4. Connect the electrical connectors to the ignition coils (3).




5. Install the engine cover (1).
6. Secure the engine cover (1) with the 2 fasteners.

Tighten
Tighten the 2 fasteners to 9 N.m (80 lb in).

7. Install the 2 plastic retainers.