Operation CHARM: Car repair manuals for everyone.
Manuals through 2025 now available!

Our trusted friends have launched a new website named LEMON, which has newer manuals. It also contains all the CHARM manuals.

LEMON is the spiritual successor to CHARM, I recommend you try it!

Link: lemon-manuals.la or lemon-manuals.org.ua

(Some people have issue connecting. LEMON is investigating. For now, use Firefox or change your DNS server)

Or, hide this message: temporarily or permanently

Images

Case & Related Parts, U240E (GT):



Case & Related Parts, MU4:



Gear Train, MU4:



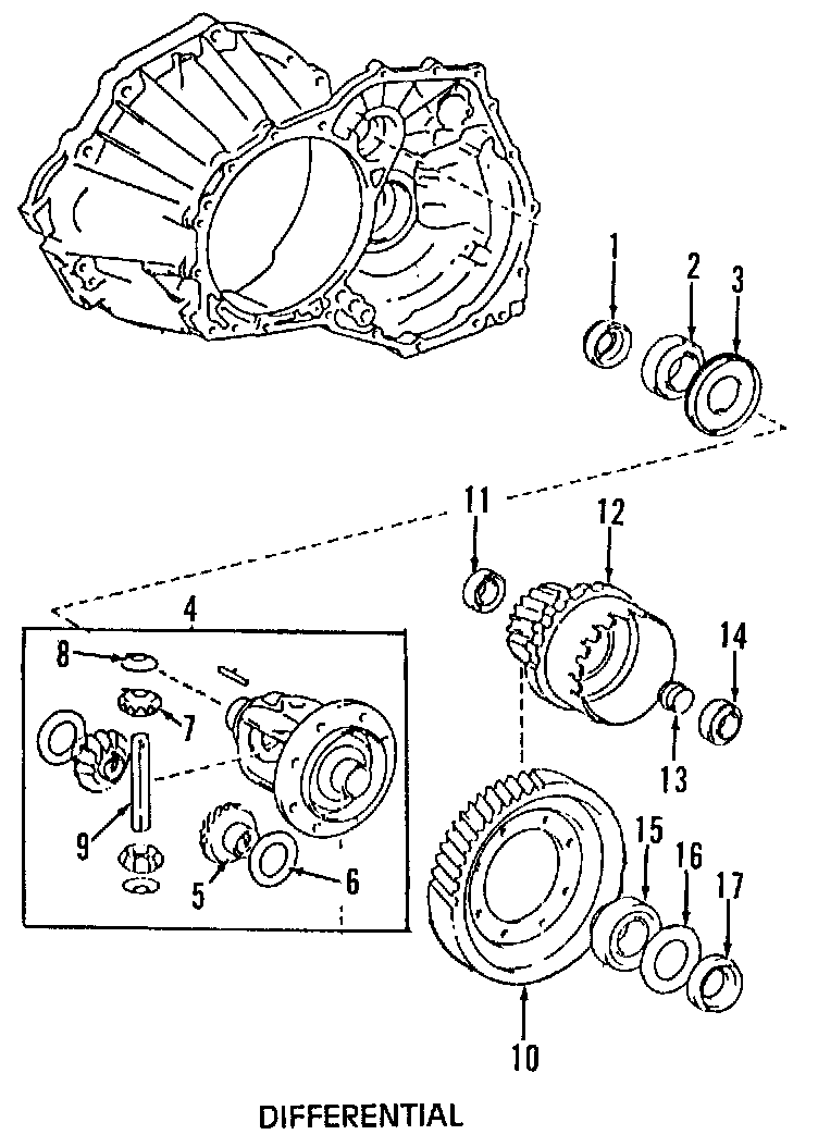
Differential, MU4:



Differential, U240E (GT):



Brake Band & Multi Disc Clutch, MU4:



Brake Band & Multi Disc Clutch, U240E (GT):



Valve Body & Related Parts, MU4:



Valve Body & Related Parts, U240E (GT):



Overdrive Assembly, MU4:



Overdrive Assembly, U240E (GT):



Low & Reverse Brake Clutches, MU4:



1ST & Reverse Clutches, U240E (GT):



Planetary Gears, U240E (GT):