Operation CHARM: Car repair manuals for everyone.
Manuals through 2025 now available!

Our trusted friends have launched a new website named LEMON, which has newer manuals. It also contains all the CHARM manuals.

LEMON is the spiritual successor to CHARM, I recommend you try it!

Link: lemon-manuals.la or lemon-manuals.org.ua

(Some people have issue connecting. LEMON is investigating. For now, use Firefox or change your DNS server)

Or, hide this message: temporarily or permanently

Timing Chain Housing Replacement

Timing Chain Housing Replacement

^ Tools Required
- J 28467-B Universal Engine Support Fixture
- J 8614-01 Pinion Flange Holder

Removal Procedure

Caution: Refer to Battery Disconnect Caution in Service Precautions.





1. Disconnect the negative battery cable.
2. Drain the cooling system.
3. Remove the accessory drive belt.
4. Remove the generator from the engine.





5. Install the engine support fixture J 28467-B.
6. Loosen the A/C receiver pinch clamps.
7. Lift the A/C receiver in order to access the right side engine mount.
8. Remove the right side engine mount.
9. Remove the cylinder head cover.
10. Set the number one piston to the top dead center position.
11. Align the camshaft timing sprockets.
12. Disconnect the power steering oil pressure switch connector.
13. Raise the vehicle. Support the vehicle. Refer to Vehicle Lifting.
14. Remove the right side engine splash shield.





15. Remove the two power steering pump through bolts and the nuts (1).
16. Remove the power steering pump from the mounting surface. Move the pump to the side.
17. Remove the accessory drive belt.





18. Remove the crankshaft pulley retaining bolt using J 8614-01.





19. Remove the following components:
^ The crankshaft position sensor bolt (5)
^ The sensor
20. Lower the vehicle.
21. Remove the following components from the mounting surface:
^ The drive belt tensioner bolt
^ The drive belt tensioner nut
^ The drive belt tensioner





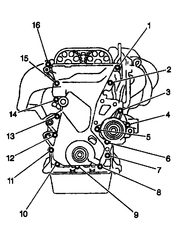
22. Remove the timing chain tensioner bolts (1, 2).
23. Remove the timing chain tensioner.





24. Remove the following fasteners:
^ The timing chain cover bolts (1-14)
^ The timing chain cover nuts (15).
25. Remove the timing chain cover.

Installation Procedure





1. Apply a continuous bead of GM P/N 12346240 (Canadian P/N 10953493) or an equivalent to the timing chain cover mating surface.





Notice: Refer to Fastener Notice in Service Precautions.

2. Install the timing chain cover. Use the following fasteners in order to secure the cover:
^ The 15 bolts (2-15)
^ The 2 nuts (1,16)
^ Tighten the timing chain cover nut and bolts (10 mm (0.394 inch) head) to 10 Nm (89 lb in).
^ Tighten the timing chain cover nut and bolts (12 mm (0.394 inch) head) to 18 Nm (14 lb ft).





3. Use the following steps in order to install the timing chain tensioner:
3.1. Fully depress the plunger (4).
3.2. Apply the hook (2) to the pin (3).
3.3. Install the timing chain tensioner.





4. Install the timing chain tensioner. Secure the timing chain tensioner using 2 bolts (1).
^ Tighten the timing chain tensioner bolts to 21 Nm (15 lb ft).





5. Install the right side engine mounting bracket. Secure the bracket using three bolts.
^ Tighten the engine mounting bracket bolts to 54 Nm (40 lb ft).
6. Install the drive belt tensioner. Secure the tensioner using one bolt and one nut.
^ Tighten the bolt to 100 Nm (74 lb ft).
^ Tighten the nut to 29 Nm (21 lb ft).
7. Raise and properly support the vehicle. Refer to Vehicle Lifting.
8. Install the crankshaft position sensor. Secure the sensor using 1 bolt (5).
^ Tighten the crankshaft position sensor bolt to 9 Nm (80 lb in).





9. Lubricate the front seal and the sealing surface of the crankshaft pulley with Chassis Grease GM P/N 1051344 (Canadian P/N 993037) or equivalent.
10. Install the crankshaft pulley onto the crankshaft indexing keyway.
11. Install the crankshaft pulley retaining bolt using J 8614-01.
^ Tighten the bolt to 118 Nm (87 lb ft).
12. Install the power steering pump.





13. Use the following fasteners in order to secure the power steering pump:
^ The 2 bolts (1)
^ The 2 nut.
^ Tighten the power steering pump bolts to 36 Nm (27 lb ft).
14. Install the right side engine splash shield.
15. Lower the vehicle.
16. Connect the power steering oil pressure switch connector.





17. Rotate the crankshaft clockwise one revolution. Ensure that the plunger on the timing chain tensioner has released.





18. Complete the following steps if the plunger does not release:
18.1. Use a screwdriver or your finger in order to press the timing chain dampener into the timing chain tensioner.
18.2. Release the hook from the pin.
18.3. Verify proper timing chain alignment after the plunger has released.
19. Install the cylinder head cover.
20. Install the right side engine mount.
21. Lower the A/C receiver. Tighten the pinch clamps.
22. Remove the engine support fixture.
23. Install the generator.
24. Fill the cooling system.
25. Connect the negative battery cable.
^ Tighten the battery cable bolt to 15 Nm (11 lb ft).