Operation CHARM: Car repair manuals for everyone.
Manuals through 2025 now available!

Our trusted friends have launched a new website named LEMON, which has newer manuals. It also contains all the CHARM manuals.

LEMON is the spiritual successor to CHARM, I recommend you try it!

Link: lemon-manuals.la or lemon-manuals.org.ua

(Some people have issue connecting. LEMON is investigating. For now, use Firefox or change your DNS server)

Or, hide this message: temporarily or permanently

Condenser HVAC: Service and Repair

CONDENSER REPLACEMENT

REMOVAL PROCEDURE




1. Remove the cooling tan assembly.
2. Discharge and recover the refrigerant. Refer to Refrigerant Recovery and Recharging.

IMPORTANT: Cap the open fittings in order to prevent dirt and moisture from entering the refrigeration system

3. Remove the receiver from the condenser.
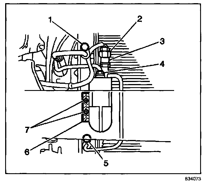
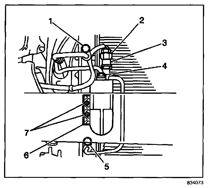
4. Remove the bolt and the condenser inlet tube (1).




5. Remove the 2 bolts (2) from the radiator support bracket.
6. Remove the brackets from the vehicle.
7. Remove the two bolts (1) from condenser.




8. Lean the radiator back and Remove the condenser.

INSTALLATION PROCEDURE

IMPORTANT: When installing a new condenser, add 60 ml (2.0 fl oz) of refrigerant oil to the refrigeration system.




1. Install the condenser to the vehicle.
2. Install new O-rings lubricated with mineral base 525 viscosity refrigerant oil.

NOTE: Refer to Fastener Notice in Service Precautions.

3. Secure the condenser with the two bolts (1).

Tighten
Tighten the bolts (1) to 10 N.m (89 lb in).

4. Install the radiator support brackets. Secure each bracket with the bolts (2).

Tighten
Tighten the radiator support bracket bolts to 13 N.m (10 lb ft).




5. Install the inlet tube to the condenser. Secure with the bolt (1).

Tighten
Tighten the bolt (1) to 5.4 N.m (48 lb in).

6. Install the receiver to the condenser..
7. Install the cooling fan assembly
8. Evacuate and recharge the air conditioning system. Refer to Refrigerant Recovery and Recharging.
9. Operate the A/C system and test for refrigerant leaks. Refer to Leak Testing.