Operation CHARM: Car repair manuals for everyone.
Manuals through 2025 now available!

Our trusted friends have launched a new website named LEMON, which has newer manuals. It also contains all the CHARM manuals.

LEMON is the spiritual successor to CHARM, I recommend you try it!

Link: lemon-manuals.la or lemon-manuals.org.ua

(Some people have issue connecting. LEMON is investigating. For now, use Firefox or change your DNS server)

Or, hide this message: temporarily or permanently

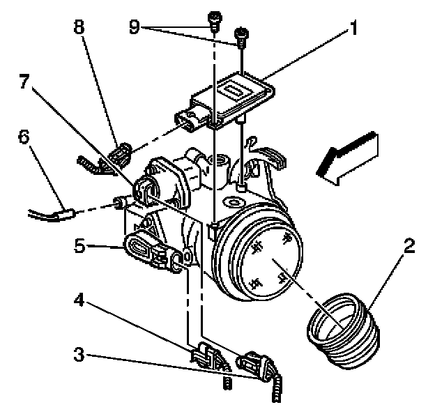
Air Flow Meter/Sensor: Service and Repair

MASS AIR FLOW (MAF) SENSOR REPLACEMENT

REMOVAL PROCEDURE
1. Turn OFF the ignition.
2. Remove the fuel injection sight shield.

IMPORTANT: The mass air flow (MAF) sensor on this engine is attached to the throttle body assembly.




3. Disconnect the MAF sensor electrical connector (8) from the MAF sensor (1).
4. Remove the screws (9) that hold the MAF sensor to the throttle body.
5. Remove the MAF sensor (1) from the throttle body.

INSTALLATION PROCEDURE




1. Install the MAF sensor (1) to the throttle body.

NOTE: Refer to Fastener Notice in Service Precautions.

2. Install the screws (9) that hold the MAF sensor to the throttle body.

Tighten
Tighten the screws to 3 N.m (27 lb in).

3. Connect the MAF sensor electrical connector (8) to the MAF sensor (1).
4. Install the fuel injection sight shield.