Operation CHARM: Car repair manuals for everyone.
Manuals through 2025 now available!

Our trusted friends have launched a new website named LEMON, which has newer manuals. It also contains all the CHARM manuals.

LEMON is the spiritual successor to CHARM, I recommend you try it!

Link: lemon-manuals.la or lemon-manuals.org.ua

(Some people have issue connecting. LEMON is investigating. For now, use Firefox or change your DNS server)

Or, hide this message: temporarily or permanently

Inflatable Restraint Sensing and Diagnostic Module (A51/AG1/AG2/AQ9)

INFLATABLE RESTRAINT SENSING AND DIAGNOSTIC MODULE REPLACEMENT (A51/AG1/AG2/AQ9)

REMOVAL PROCEDURE

CAUTION:
- Do not strike or jolt the inflatable restraint sensing and diagnostic module (SDM). Before applying power to the SDM, make sure that it is securely fastened with the arrow facing toward the front of the vehicle. Failure to observe the correct installation procedure could cause SIR deployment, personal injury, or unnecessary SIR system repairs.
- If the vehicle interior is exposed to moisture and becomes soaked up to the level of the sensing and diagnostic module (SDM), the SDM and SDM harness connector must be replaced. The SDM could be activated when powered, which could cause airbag deployment and result in personal injury
.

1. Disable the SIR system. Refer to SIR Disabling and Enabling Zone 8.




2. Move both the driver and the passenger seat forward and/or to the rear to gain access to the console fasteners.
3. Remove the console.
4. When the console is removed the carpet will be pre-slit to provide access to the inflatable restraint sensing and diagnostic module (SDM).




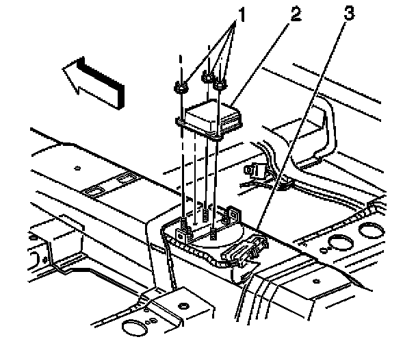
5. Remove the connector position assurance (CPA) (1) from the inflatable restraint SDM wiring harness connector (2).
6. Push down the flex lock button (3) and then move the sliding connector locking cover (4) to the open position.




7. Remove the push-on clip (1) securing the SDM wiring harness to console stud.
8. Disconnect the SDM wiring harness connector (3) from the SDM (2).




9. Remove the SDM mounting fasteners (1).
10. Remove the SDM (2) from the console floor (3).

INSTALLATION PROCEDURE
1. Remove any dirt, grease, or other impurities from the mounting surface.




2. Install the SDM (2) horizontally to console floor (3).
3. Point the arrow on the SDM toward the front of the vehicle.

NOTE: Refer to Fastener Notice in Service Precautions.

4. Install the SDM mounting fasteners (1).

Tighten
Tighten fasteners to 9 N.m (80 lb in).




5. Connect the SDM wiring harness connector (3) to the SDM (2).
6. Install push-on clip (1) securing SDM wiring harness to console stud.




7. Push down flex lock button (3) and then move sliding connector locking cover (4) to the close position.
8. Install the CPA (1) to the inflatable restraint SDM wiring harness connector (2).




9. Install the carpet pre-slit to the close position covering the inflatable restraint SDM.
10. Install the console.
11. Install the driver and passenger seat to the original position.
12. Enable the SIR system. Refer to SIR Disabling and Enabling Zone 8.

IMPORTANT: The AIR BAG indicator may remain ON after the SDM has been replaced. DTC B1001 may set requiring the SDM part number to be set in multiple modules. If the indicator remains ON after enabling the SIR system, perform the diagnostic system check and follow the steps thoroughly to ensure that the SDM is set properly.

13. Program the new SDM into the dash integration module. Programming and Relearning