Traction Control Module: Service and Repair
Accelerator and Servo Control Module (ASM) ReplacementRemoval Procedure
1. Disconnect the battery negative cable. Refer to Battery Negative Cable Disconnect/Connect Procedure in Engine Electrical.
2. Remove the left hand hinge pillar trim panel. Refer to Trim Replacement - Hinge Pillar in Interior Trim
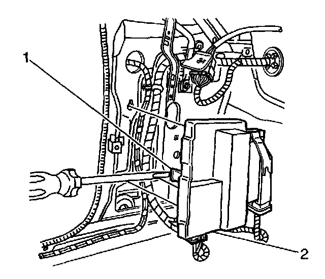
3. Using a screw driver, depress the lower retaining tab (1) while gently pulling outward on the base of the mounting bracket (2).
4. Disengage the upper retaining tab by pulling downwards on the bracket.
5. Disconnect the accelerator and servo control module (ASM) connector as follows:
- Lift the locking lever (1) on the connector.
- Pull the top of the connector (2) away from the ASM control module (3).
- Lift the connector (2) upwards and disengage it from the ASM control module (3).
6. Disengage the two retaining tabs (1) on the mounting bracket and slide the ASM control module (2) out of the bracket.
Installation Procedure
1. Slide the ASM control module (2) into the mounting bracket. Engage the two retaining tabs (1) on the mounting bracket.
2. Connect the accelerator and servo control module (ASM) connector as follows:
- Engage the base of the connector (2) into the ASM control module (3).
- Push the top of the connector (2) into the ASM control module (3).
- Push the locking lever (1) downward. Ensure the lever seats flush with the top of the connector housing.
3. Engage the upper retaining tab by pushing upward on the bracket.
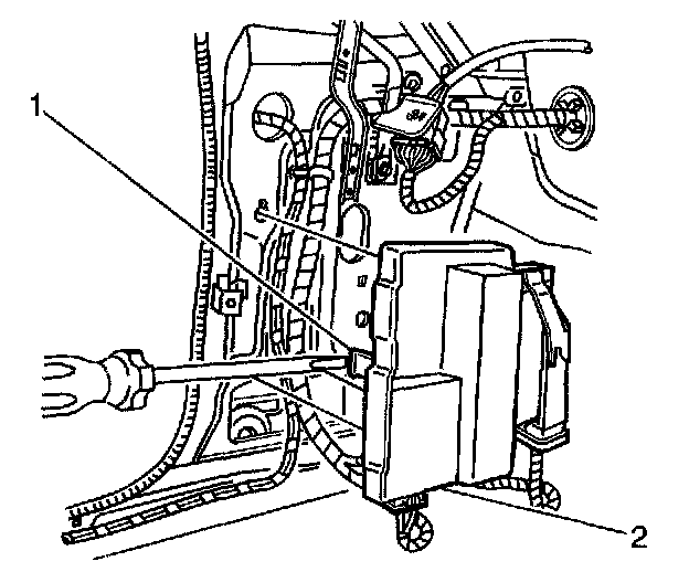
4. Engage the lower retaining tab (1) by gently pushing inward on the base of the mounting bracket (2).
5. Install the left hand hinge pillar trim panel. Refer to Trim Replacement - Hinge Pillar in Interior Trim.
6. Connect the battery negative cable. Refer to Battery Negative Cable Disconnect/Connect Procedure in Engine Electrical.