Operation CHARM: Car repair manuals for everyone.
Manuals through 2025 now available!

Our trusted friends have launched a new website named LEMON, which has newer manuals. It also contains all the CHARM manuals.

LEMON is the spiritual successor to CHARM, I recommend you try it!

Link: lemon-manuals.la or lemon-manuals.org.ua

(Some people have issue connecting. LEMON is investigating. For now, use Firefox or change your DNS server)

Or, hide this message: temporarily or permanently

Engine Front Cover

Engine Front Cover Replacement
^ Tools Required
- J 41476 Front and Rear Cover Alignment
- J 41478 Crankshaft Front Oil Seal Installer

Removal Procedure





1. Remove the water pump.
2. Remove the crankshaft balancer.
3. Remove the drive belt idler pulley bolt and pulley (1).





4. Remove the oil pan-to-front cover bolts.





5. Remove the front cover bolts.
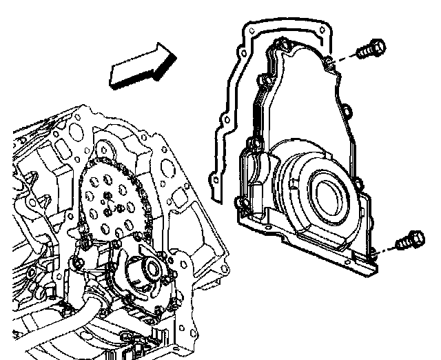
6. Remove the front cover and gasket.
7. Discard the front cover gasket.
8. Clean and inspect the engine front cover.

Installation Procedure





Important:
^ Do not reuse the crankshaft oil seal or front cover gasket.
^ Do not apply any type sealant to the front cover gasket (unless specified).
^ The special tool in this procedure is used to center the crankshaft front oil seal.
^ All gasket surfaces should be free of oil or other foreign material during assembly.
^ The crankshaft front oil seal MUST be centered in relation to the crankshaft.
^ An improperly aligned front cover may cause premature front oil seal wear and/or engine oil leaks.

1. Apply a 5 mm (0.20 inch) bead of sealant GM P/N 12378190 or equivalent 20 mm (0.80 inch) long to the oil pan to engine block junction.
2. Install the front cover, gasket and bolts onto the engine.
3. Tighten the cover bolts finger tight. Do not overtighten.





4. Install the oil pan-to-front cover bolts until snug. Do not overtighten.





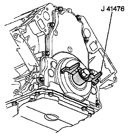
5. Install the J 41476 and crankshaft balancer bolt to the front cover.
6. Align the tapered legs of the J 41476 with the machined alignment surfaces on the front cover.

Notice: Refer to Fastener Notice in Service Precautions.

7. Install the crankshaft balancer bolt until snug. Do not overtighten.
7.1. Tighten the oil pan-to-front cover bolts to 25 Nm (18 ft. lbs.).
7.2. Tighten the engine front cover bolts to 25 Nm (18 ft. lbs.).
8. Remove the J41476.





Important:
^ Do not lubricate the oil seal sealing surface.
^ Do not reuse the crankshaft oil seal.
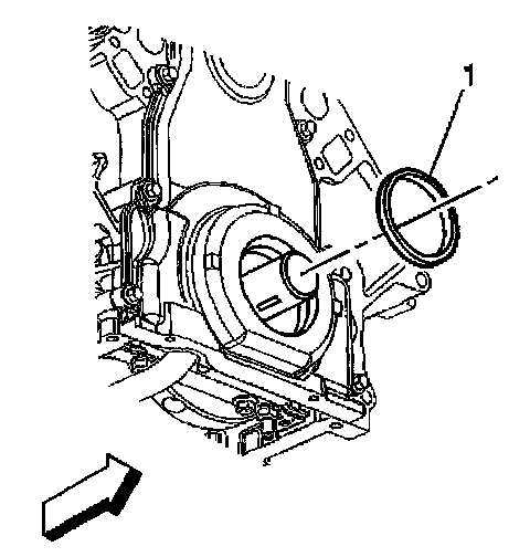
9. Lubricate the outer edge of the oil seal (1) with clean engine oil.
10. Lubricate the front cover oil seal bore with clean engine oil.





11. Install the crankshaft front oil seal into the J41478 guide.
12. Install the J41478 threaded rod (with nut, washer, guide, and oil seal) into the end of the crankshaft.
13. Use the J 41478 in order to install the oil seal into the cover bore.
^ Use a wrench and hold the hex on the installer bolt.
^ Use a second wrench and rotate the installer nut clockwise until the seal bottoms in the cover bore.
^ Remove the tool.
^ Inspect the oil seal for proper installation. The oil seal should be installed evenly and completely into the front cover bore.





14. Install the idler pulley assembly (1) onto the generator bracket post.

Important: Be sure that the idler pulley rear dust shield is fully seated against the shoulder on the generator post (2) before tightening the bolt.

15. Install the drive belt idler pulley bolt until snug.
^ Tighten the drive belt idler pulley bolt to 50 Nm (37 ft. lbs.).
16. Install the crankshaft balancer.
17. install the water pump.