Operation CHARM: Car repair manuals for everyone.
Manuals through 2025 now available!

Our trusted friends have launched a new website named LEMON, which has newer manuals. It also contains all the CHARM manuals.

LEMON is the spiritual successor to CHARM, I recommend you try it!

Link: lemon-manuals.la or lemon-manuals.org.ua

(Some people have issue connecting. LEMON is investigating. For now, use Firefox or change your DNS server)

Or, hide this message: temporarily or permanently

Engine Oil: Service and Repair

Engine Oil and Oil Filter Replacement

Removal Procedure





1. Open the hood.
2. Remove the oil fill cap.
3. Raise and suitably support the vehicle. Refer to Vehicle Lifting.
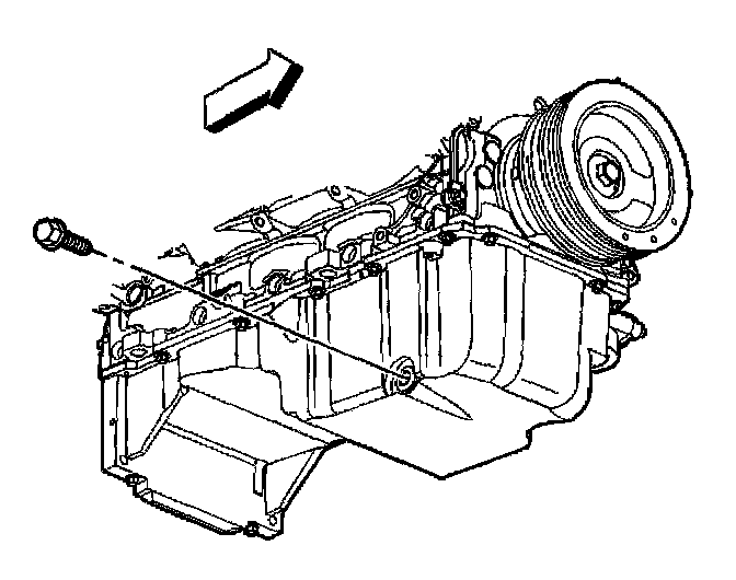
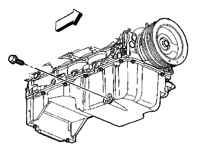
4. Remove the oil pan drain plug.
5. Drain the engine oil into an appropriate container. Allow sufficient time for the oil to drain.





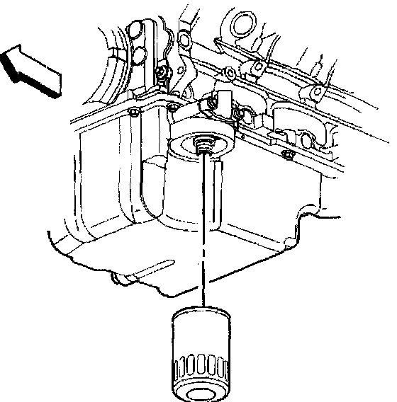
6. Remove the engine oil filter from the engine block.

Important: Check the old oil filter to ensure that the filter seal is not left on the engine block.

7. Empty the oil filter into the drain pan.
8. Allow sufficient time for the oil to drain from the oil filter opening.
9. Wipe the excess oil from the oil filter mounting.

Installation Procedure





1. Wipe any excess oil from the oil filter mounting.

Notice: Refer to Fastener Notice in Service Precautions.

Important: Lightly oil the engine oil filter gasket, using CLEAN oil.

2. Install the oil filter to the engine block.
^ Tighten the engine oil filter to 30 Nm (22 ft. lbs.).





3. Wipe any excess oil from the oil pan drain hole.
4. Install the oil pan drain plug.
^ Tighten the oil pan drain plug to 25 Nm (18 ft. lbs.).
5. Lower the vehicle.
6. Fill the engine with the appropriate amount and type of engine oil.
7. Run the engine for 3 minutes.
8. Raise the vehicle.
9. Thoroughly inspect the oil filter and the oil pan drain plug areas for leaks.
10. Allow the engine to cool for a minimum of 3 minutes.
11. Lower the vehicle.
12. Check the engine oil level.
13. Top-off the engine oil to the full mark on the oil level indicator (dipstick), if necessary.
14. Install the oil fill cap.
15. Close the hood.