Operation CHARM: Car repair manuals for everyone.
Manuals through 2025 now available!

Our trusted friends have launched a new website named LEMON, which has newer manuals. It also contains all the CHARM manuals.

LEMON is the spiritual successor to CHARM, I recommend you try it!

Link: lemon-manuals.la or lemon-manuals.org.ua

(Some people have issue connecting. LEMON is investigating. For now, use Firefox or change your DNS server)

Or, hide this message: temporarily or permanently

Oil Pressure Sensor: Service and Repair

Engine Oil Pressure Sensor and/or Switch Replacement
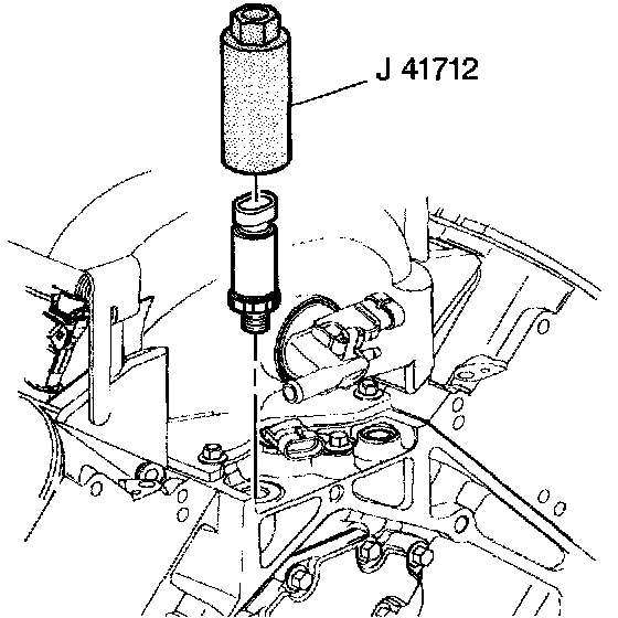
^ Tools Required
- J 41712 Oil Pressure Sensor Socket

Removal Procedure





1. Disconnect the oil pressure sensor electrical connector (1).





Important: Clean the area around the sensor before removal. This avoids debris from entering the engine.

2. Use J 41712 to remove the oil pressure sensor from the engine block.

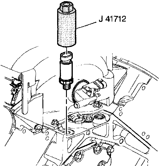
Installation Procedure





1. If installing the old sensor, apply thread sealant GM P/N 12346004,(Canadian P/N 1093480), or equivalent.

Notice: Refer to Fastener Notice in Service Precautions.

2. Use J 41712 to install the oil pressure sensor to the engine block.
^ Tighten the engine oil pressure sensor to 20 Nm (15 ft. lbs.).





3. Connect the oil pressure sensor electrical connector (1).