Operation CHARM: Car repair manuals for everyone.
Manuals through 2025 now available!

Our trusted friends have launched a new website named LEMON, which has newer manuals. It also contains all the CHARM manuals.

LEMON is the spiritual successor to CHARM, I recommend you try it!

Link: lemon-manuals.la or lemon-manuals.org.ua

(Some people have issue connecting. LEMON is investigating. For now, use Firefox or change your DNS server)

Or, hide this message: temporarily or permanently

System Specifications

Connecting Rod Bolts
First Pass 20 Nm (15 ft. lbs.)
Final Pass 75 degrees
Coolant Temperature Gage Sensor 20 Nm (15 ft. lbs.)
Crankshaft Balancer Bolt
installation Pass to Ensure the Balancer is Completely Installed 330 Nm (240 ft. lbs.)
First Pass Install a NEW Bolt After the Installation Pass and Tighten as Described in the First and Final Passes 50 Nm (37 ft. lbs.)
Final Pass 140 degrees
Crankshaft Bearing Cap Bolts
Inner Bolts - First Pass in Sequence 20 Nm (15 ft. lbs.)
Inner Bolts - Final Pass in Sequence 80 degrees
Crankshaft Bearing Cap Side Bolts 25 Nm (18 ft. lbs.)
Crankshaft Bearing Cap Studs
Outer Studs - First Pass in Sequence 20 Nm (15 ft. lbs.)
Outer Studs - Final Pass in Sequence 53 degrees
Crankshaft Oil Deflector Nuts 25 Nm (18 ft. lbs.)
Crankshaft Position Sensor Bolt 25 Nm (18 ft. lbs.)
Engine Block Coolant Drain Plugs 60 Nm (44 ft. lbs.)
Engine Block Oil Gallery Plugs 60 Nm (44 ft. lbs.)
Engine Coolant Air Bleed Pipe Bolts and Studs 12 Nm (106 inch lbs.) Block
Crankshaft Main Bearing Bore Diameter 69.871-69.889 mm (2.75-2.751 inch)
Crankshaft Main Bearing Bore Out-of-Round 0.005 mm (0.0002 inch)
Cylinder Bore Diameter 99.0-99.018 mm (3.897-3.898 inch)
Cylinder Bore Taper - Thrust Side 0.018 mm (0.0007 inch)

Connecting Rod
Connecting Rod Bearing Clearance
Production 0.023-0.065 mm (0.0009-0.0025 inch)
Service 0.023-0.076 mm (0.0009-0.003 inch)
Connecting Rod Bore Diameter- Bearing End 56.505-56.525 mm (2.224-2.225 inch)
Connecting Rod Bore Out-of-Round - Bearing End
Production (0.006 mm 0.00023 inch)
Service (0.006 mm 0.00023 inch)
Connecting Rod Side Clearance 0.11-0.51 mm (0.00433-0.02 inch)

Crankshaft
Connecting Rod Journal Diameter
Production 53.318-53.338 mm (2.0991-2.0999 inch)
Service 53.308 mm (2.0987 inch)
Connecting Rod Journal Out-of-Round
Production 0.005 mm (0.0002 inch)
Service 0.01 mm (0.0004 inch)
Connecting Rod Journal Taper- Maximum for 1/2 of Journal Length
Production 0.005 mm (0.0002 inch)
Service 0.02 mm (0.00078 inch)
Crankshaft End Play 0.04-0.2 mm (0.0015-0.0078 inch)
Crankshaft Main Bearing Clearance
Production 0.02-0.052 mm (0.0008-0.0021 inch)
Service 0.02-0.065 mm (0.0008-0.0025 inch)
Crankshaft Main Journal Diameter
Production 64.993-65.007 mm (2.558-2.559 inch)
Service 64.993 mm (2.558 inch)
Crankshaft Main Journal Out-of-Round
Production 0.003 mm (0.000118 inch)
Service 0.008 mm (0.0003 inch)
Crankshaft Main Journal Taper
Production 0.01 mm (0.0004 inch)
Service 0.02 mm (0.00078 inch)
Crankshaft Rear Flange Runout 0.05 mm (0.002 inch)
Crankshaft Reluctor Ring Runout - Measured 1.0 mm (0.04 inch) Below the Tooth Diameter 0 7 mm (0.028 inch)
Crankshaft Thrust Surface
Production 26 14-26.22 mm (1.029-1 0315 inch)
Service 26 22 mm (1.0315 inch)
Crankshaft Thrust Surface Runout 0.025 mm (0.001 inch)





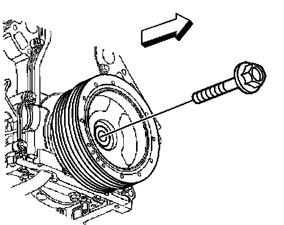
NEW Crankshaft Balancer bolt.
Tighten the new crankshaft balancer bolt
first pass to 50 Nm (37 ft. lbs.).
second pass to 140 degrees using the J 36660-A.

Piston Rings
Piston Ring End Gap - First Compression Ring - Measured inch) Cylinder Bore
Production 0 23-0 44 mm (0.009-0 017 inch)
Service 0.23-0.5 mm (0.009-0.0196 inch)
Piston Ring End Gap - Second Compression Ring - Measured inch) Cylinder Bore
Production 0.44-0.7 mm (0.017-0.027 inch)
Service 0.44-0 76 mm (0.0173-0.03 inch)
Piston Ring End Gap - Oil Control Ring - Measured inch) Cylinder Bore-
Production 0.18-0 75 mm (0.007-0.029 inch)
Service 0.18-0 81 mm (0.007-0.032 inch)
Piston Ring-to-Groove Clearance - First Compression Ring
Production 0.04-0.086 mm (0.00157-0.0033 inch)
Service 0.04-0 068 mm (0.00157-0.0033 inch)
Piston Ring-to-Groove Clearance - Second Compression
Production 0.05-0.088 mm (0.002-0.0034 inch)
Service 0.05-0.088 mm (0.002-0.0034 inch)
Piston Ring-to-Groove Clearance - Oil Control Ring
Production -0.008 to +0.176 mm (-0.0003 to +0.0069 inch)
Service -0.008 to +0.176 mm (-0.0003 to +0.0069 inch)

Pistons and Pins
Piston - Piston Diameter - Non Coated Skirt - at Size Point 98.969-98.987 mm (3.8964-3.8997 inch)
Piston - Piston Diameter- Measured Over Coating 98.984-99.027 mm (3.897-3.899 inch)
Piston - Piston to Bore Clearance - Non Coated Skirt
Production 0.013-0.049 mm (0.0005-0.0019 inch)
Service 0.013-0.074 mm (0.0005-0.0029 inch)
Piston - Piston to Bore Clearance - Coated Skirt
Production -0.027 to +0.029 mm (-0.001 to +0.0011 inch)
Piston - Piston to Bore Clearance - Coating Worn Off
Service Limit 0.074 mm (0.0029 inch)
Pin - Piston Pin Fit inch) Connecting Rod Bore 0.02-0.043 mm Interference (0.00078-0.00169 inch) Interference
Pin - Piston Pin Clearance to Piston Bore
Production 0.01-0.02 mm 0.0004-0.00078 inch)
Service 0.01-0.022 mm (0.0004-0.00086 inch)
Pin - Piston Pin Diameter 23.997-24.0 mm (0.9447-0.9448 inch)