Operation CHARM: Car repair manuals for everyone.
Manuals through 2025 now available!

Our trusted friends have launched a new website named LEMON, which has newer manuals. It also contains all the CHARM manuals.

LEMON is the spiritual successor to CHARM, I recommend you try it!

Link: lemon-manuals.la or lemon-manuals.org.ua

(Some people have issue connecting. LEMON is investigating. For now, use Firefox or change your DNS server)

Or, hide this message: temporarily or permanently

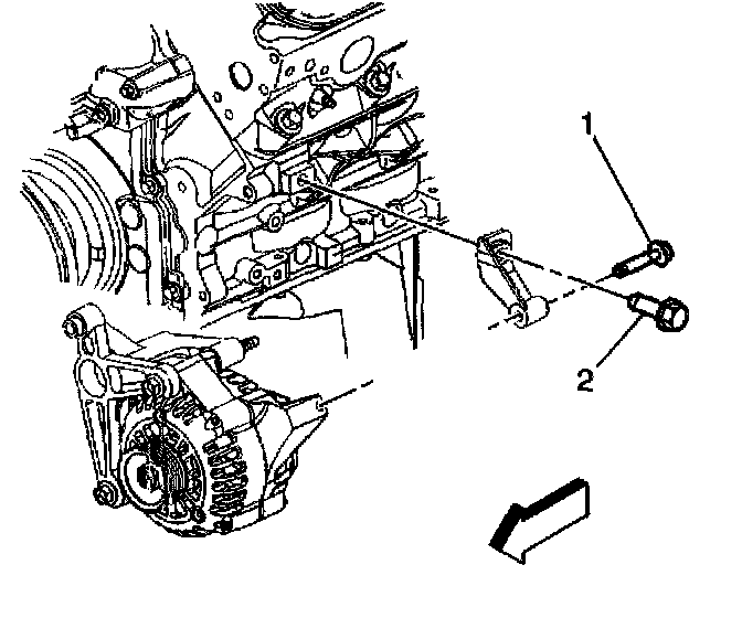
Generator Bracket Replacement

GENERATOR BRACKET REPLACEMENT

Removal Procedure





1. Remove the accessory drive belt idler pulley.
2. Remove the generator.
3. Remove the front generator bracket bolt and front bracket.





4. Remove the generator rear mounting bolt to the engine (2).
5. Remove the generator rear bracket.

Installation Procedure

NOTICE: Refer to Fastener Notice in Service Precautions.





1. Install the generator rear bracket and bolt (2) to the engine.

Tighten
Tighten the generator rear mounting bolt to the engine (2) to 50 N.m (37 Ib ft).






2. Install the generator front bracket and bolt to the engine.

Tighten
Tighten the generator bracket bolt to 50 N.m (37 Ib ft).


3. Install the generator.
4. Install the accessory drive belt idler pulley.