Operation CHARM: Car repair manuals for everyone.
Manuals through 2025 now available!

Our trusted friends have launched a new website named LEMON, which has newer manuals. It also contains all the CHARM manuals.

LEMON is the spiritual successor to CHARM, I recommend you try it!

Link: lemon-manuals.la or lemon-manuals.org.ua

(Some people have issue connecting. LEMON is investigating. For now, use Firefox or change your DNS server)

Or, hide this message: temporarily or permanently

Starter Motor: Service and Repair

STARTER MOTOR REPLACEMENT

CAUTION: Refer to Battery Disconnect Caution in Service Precautions.

IMPORTANT: This engine was designed for starter motor mounting without shims. However, if single or double shims have been added to correct a noise or engagement condition, reinstall the shims in their original location to ensure proper pinion-to-flywheel engagement.

Removal Procedure





1. Disconnect the negative battery cable.
2. Raise and suitably support the vehicle.
3. Remove the left side catalytic converter.
4. Remove the starter motor bolts.
5. Lower the starter motor.





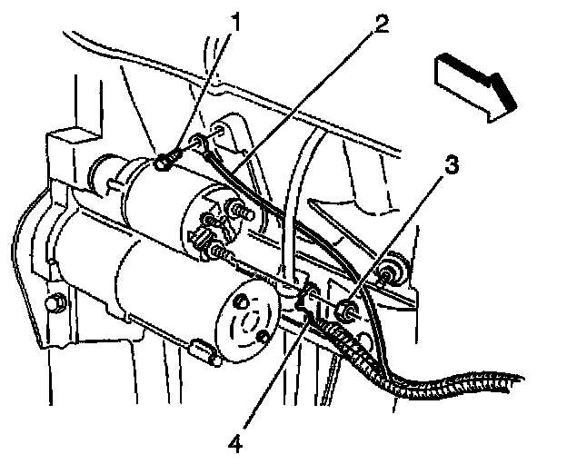
6. Remove the wiring harness starter lead nut.
7. Remove the wiring harness starter lead and washer.





8. Remove the positive cable nut (3) at the starter solenoid.
9. Remove the positive cable lead (4).
10. Remove the starter motor.





11. Remove the starter motor shield, if necessary.

Installation Procedure





1. Install the starter motor shield, if necessary.





2. Lift the starter motor into position.
3. Install the positive cable lead (4).

NOTICE: Refer to Fastener Notice in Service Precautions.

4. Install the positive battery cable nut (3) at the starter solenoid.

Tighten
Tighten the positive battery cable nut at the starter solenoid to 10 N.m (89 Ib in).


IMPORTANT: Ensure the following when installing the starter lead:
- The starter lead is wrapped with heat protective tape.
- The starter lead does NOT contact the positive cable and/or connection.





5. Install the wiring harness starter lead and washer.
6. Install the wiring harness starter lead nut.

Tighten
Tighten the wiring harness starter lead nut to 2 N.m (18 Ib in).


7. Raise the starter motor to the engine block.





8. Install the starter motor bolts.

Tighten
Tighten the starter motor bolts to 50 N.m (37 Ib ft).


9. Install the left side catalytic converter.
10. Lower the vehicle.
11. Connect the negative battery cable.