Operation CHARM: Car repair manuals for everyone.
Manuals through 2025 now available!

Our trusted friends have launched a new website named LEMON, which has newer manuals. It also contains all the CHARM manuals.

LEMON is the spiritual successor to CHARM, I recommend you try it!

Link: lemon-manuals.la or lemon-manuals.org.ua

(Some people have issue connecting. LEMON is investigating. For now, use Firefox or change your DNS server)

Or, hide this message: temporarily or permanently

Relay Box: Service and Repair

UNDERHOOD ELECTRICAL CENTER OR JUNCTION BLOCK REPLACEMENT

REMOVAL PROCEDURE




1. Disconnect the negative battery cable.
2. Lift the cover of the under hood Bussed Electrical Center (BEC) (2) to access the positive cable nut.
3. Remove the positive battery cable nut and position the cable (1) away from the BEC.




4. Release the tabs and pull the BEC from the housing.




5. Loosen the bolts (1) retaining the engine, IP and forward lamp wiring harness connectors to the junction block.




6. Disconnect the wiring harness connectors from the junction block.




7. If the BEC housing removal is necessary, perform the following:
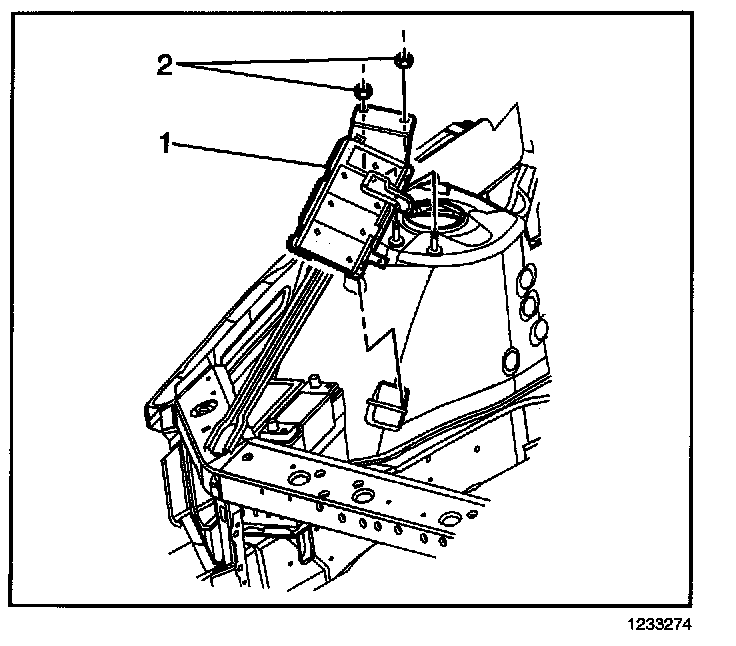
7.1. Remove the nuts (2) from the BEC housing (1).
7.2. Lift the BEC housing to release the lower tab from the strut tower.
7.3. Remove the BEC housing (1) from the vehicle.

INSTALLATION PROCEDURE




1. If the BEC housing was removed, perform the following:
1.1. Position the BEC housing (1) to the strut tower and insert the lower tab into the slot on the tower.

NOTE: Refer to Fastener Notice in Service Precautions.

1.2. Install the BEC housing nuts (2) to the studs on the strut tower.

Tighten
Tighten the nuts to 3 N.m (27 lb. in).




2. Connect the wiring harness connectors to the junction block.




3. Tighten the engine, IP and forward lamp wiring harness connector bolts to the junction block.

Tighten
Tighten the bolts to 10 N.m (89 lb.in).




4. Position the BEC to the housing. Align the tabs and press the BEC into place to secure the junction block.




5. Install the positive battery cable lead (1) to the stud on the BEC. Install the positive cable lead nut to the stud.

Tighten
Tighten the nut to 16 N..m (12 lb.ft).

6. Close the cover (2) on the BEC.
7. Connect the negative battery cable.