Operation CHARM: Car repair manuals for everyone.
Manuals through 2025 now available!

Our trusted friends have launched a new website named LEMON, which has newer manuals. It also contains all the CHARM manuals.

LEMON is the spiritual successor to CHARM, I recommend you try it!

Link: lemon-manuals.la or lemon-manuals.org.ua

(Some people have issue connecting. LEMON is investigating. For now, use Firefox or change your DNS server)

Or, hide this message: temporarily or permanently

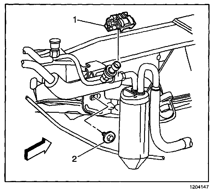
Receiver Dryer: Service and Repair

RECEIVER DEHYDRATOR REPLACEMENT

TOOLS REQUIRED
J 39400-A Halogen Leak Detector

REMOVAL PROCEDURE




1. Recover the refrigerant. Refer to Refrigerant Recovery and Recharging.
2. Remove the air cleaner assembly.
3. Remove the A/C tube coupling from the receiver dehydrator tube to evaporator tube.
4. Remove the A/C tube coupling from the receiver dehydrator tube to condenser tube.
5. Disconnect the receiver dehydrator tube from the condenser.




6. Remove the receiver dehydrator mounting bolt (2).
7. Disconnect the receiver dehydrator from the evaporator tube.
8. Remove the receiver dehydrator.
9. Remove and discard the O-ring seals.

INSTALLATION PROCEDURE




1. If you are replacing the receiver dehydrator, add refrigerant oil to the receiver dehydrator. Refer to Refrigerant System Capacities for system capacity information.
2. Install the new O-ring seals onto the receiver dehydrator tubes.
3. Connect the receiver dehydrator tube to the evaporator tube.
4. Install the A/C tube coupling over the connection between the evaporator tube and the receiver dehydrator tube.

NOTE: Refer to Fastener Notice in Service Precautions.

5. Install the receiver dehydrator mounting bolt (2).

Tighten
Tighten the bolt to 4 N.m (36 lb in).




6. Connect the receiver dehydrator tube to the condenser.
7. Install the A/C tube coupling over the connection between the condenser tube and the receiver dehydrator tube.
8. Install the air cleaner assembly.
9. Evacuate and recharge the A/C system. Refer to Refrigerant Recovery and Recharging.
10. Leak test the fittings of the component using J 39400-A.