Operation CHARM: Car repair manuals for everyone.
Manuals through 2025 now available!

Our trusted friends have launched a new website named LEMON, which has newer manuals. It also contains all the CHARM manuals.

LEMON is the spiritual successor to CHARM, I recommend you try it!

Link: lemon-manuals.la or lemon-manuals.org.ua

(Some people have issue connecting. LEMON is investigating. For now, use Firefox or change your DNS server)

Or, hide this message: temporarily or permanently

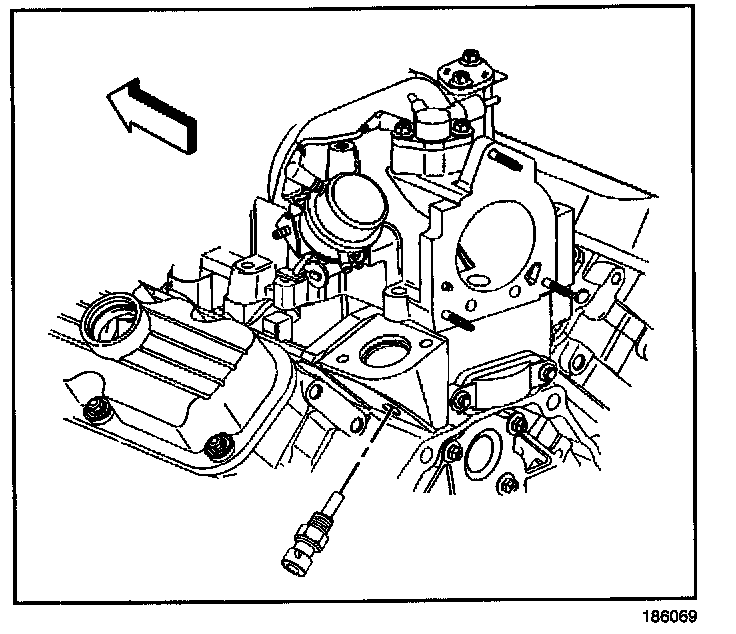
Coolant Temperature Sensor/Switch (For Computer): Service and Repair

ENGINE COOLANT TEMPERATURE (ECT) SENSOR REPLACEMENT

REMOVAL PROCEDURE

NOTE: Use care when handling the coolant sensor. Damage to the coolant sensor will affect the operation of the fuel control system.




1. Partially drain the cooling system. Refer to Draining and Filling Cooling System in Cooling System.
2. Disconnect the ECT sensor electrical connector.
3. Remove the ECT sensor.

INSTALLATION PROCEDURE

NOTE:
- Use care when handling the coolant sensor. Damage to the coolant sensor will affect the operation of the fuel control system.
- Replacement components must be the correct part number for the application. Components requiring the use of the thread locking compound, lubricants, corrosion inhibitors, or sealants are identified in the service procedure. Some replacement components may come with these coatings already applied. Do not use these coatings on components unless specified. These coatings can affect the final torque, which may affect the operation of the component. Use the correct torque specification when installing components in order to avoid damage.




1. Coat the threads with sealer GM PIN 12346004 (Canadian P/N 10953480) or equivalent.

NOTE: Refer to Fastener Note in Service Precautions.

2. Install the ECT sensor.

Tighten
Tighten the ECT sensor to 25 N.m (18 lb ft).

3. Connect the ECT sensor electrical connector.
4. Fill the cooling system. Refer to Draining and Filling Cooling System in Cooling System.