Operation CHARM: Car repair manuals for everyone.
Manuals through 2025 now available!

Our trusted friends have launched a new website named LEMON, which has newer manuals. It also contains all the CHARM manuals.

LEMON is the spiritual successor to CHARM, I recommend you try it!

Link: lemon-manuals.la or lemon-manuals.org.ua

(Some people have issue connecting. LEMON is investigating. For now, use Firefox or change your DNS server)

Or, hide this message: temporarily or permanently

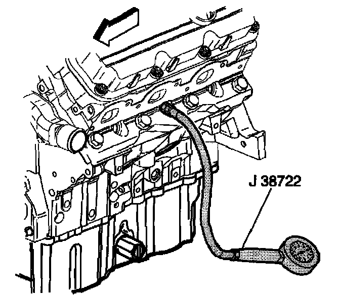
Compression Check: Testing and Inspection

^ Tools Required
- J 38722 Compression Tester

A compression pressure test of the engine cylinders determines the condition of the rings, the valves, and the head gasket.

1. Run the engine until it reaches normal operating temperature. The battery must be at or near full charge.
2. Turn the engine OFF.

Important: Remove the Powertrain Control Module (PCM) and the ignition fuses from the I/P fuse block.

3. Disable the ignition.
4. Disable the fuel systems.
5. Remove the spark plugs from all the cylinders.
6. Remove the air duct from the throttle body.





7. Block the throttle plate in the open position.
8. Measure the engine compression, using the following procedure:
8.1. Firmly install J38722to the spark plug hole.
8.2. Have an assistant crank the engine through at least four compression strokes in the testing cylinder.
8.3. Check and record the readings on J 38722 at each stroke.
8.4. Disconnect J 38722.
8.5. Repeat the compression test for each cylinder.
9. Record the compression readings from all of the cylinders.
^ The lowest reading should not be less than 70 percent of the highest reading.
^ No cylinder reading should be less than 689 kPa (100 psi).
10. The following are examples of the possible measurements:
^ When the compression measurement is normal, the compression builds up quickly and evenly to the specified compression on each cylinder.
^ When the compression is low on the first stroke and tends to build up on the following strokes, but does not reach the normal compression, or if the compression improves considerably with the addition of three squirts of oil, the piston rings may be the cause.
^ When the compression is low on the first stroke and does not build up in the following strokes, or the addition of oil does not affect the compression, the valves may be the cause.
^ When the compression is low on two adjacent cylinders, or coolant is present in the crankcase, the head gasket may be the cause.
11. Remove the block from the throttle plate.
12. Install the air duct to the throttle body.
13. Install the spark plugs.
14. Install the Powertrain Control Module (PCM) fuse.
15. Install the ignition fuse to the I/P fuse block.