Operation CHARM: Car repair manuals for everyone.
Manuals through 2025 now available!

Our trusted friends have launched a new website named LEMON, which has newer manuals. It also contains all the CHARM manuals.

LEMON is the spiritual successor to CHARM, I recommend you try it!

Link: lemon-manuals.la or lemon-manuals.org.ua

(Some people have issue connecting. LEMON is investigating. For now, use Firefox or change your DNS server)

Or, hide this message: temporarily or permanently

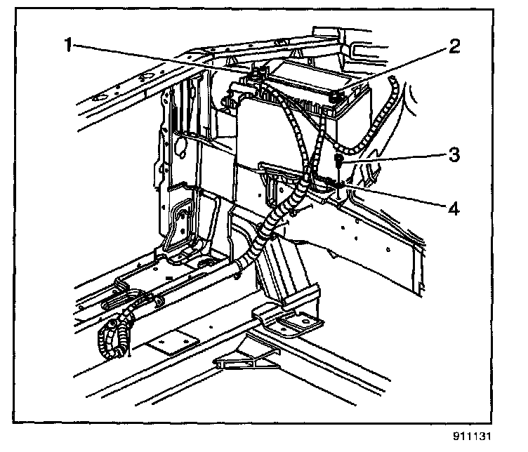
Battery Replacement

BATTERY REPLACEMENT

REMOVAL PROCEDURE




1. Disconnect the negative battery cable.
2. Remove the right front diagonal brace.
3. Loosen the positive battery terminal nut.
4. Remove the positive battery terminal (1) from the battery.
5. Remove the battery hold down.

IMPORTANT: Do not tip the battery more than 40 degrees during removal.

6. Remove the battery.
7. Remove the insulator from the battery.

INSTALLATION PROCEDURE




1. Install the insulator to the battery.

IMPORTANT: Do not tip the battery more than 40 degrees during installation.

2. Install the battery.
3. Install the battery hold down.

NOTE: Refer to Fastener Notice in Service Precautions.

4. Install the battery hold down bolt.

Tighten
Tighten the bolt to 18 N.m (13 lb ft).

5. Install the positive battery terminal (1) to the battery.

Tighten
Tighten the nut to 15 N.m (11 lb ft).

6. Install the right front diagonal brace.
7. Connect the negative battery cable.