Operation CHARM: Car repair manuals for everyone.
Manuals through 2025 now available!

Our trusted friends have launched a new website named LEMON, which has newer manuals. It also contains all the CHARM manuals.

LEMON is the spiritual successor to CHARM, I recommend you try it!

Link: lemon-manuals.la or lemon-manuals.org.ua

(Some people have issue connecting. LEMON is investigating. For now, use Firefox or change your DNS server)

Or, hide this message: temporarily or permanently

Starter Motor: Service and Repair

STARTER MOTOR REPLACEMENT

REMOVAL PROCEDURE




1. Disconnect the negative battery cable.
2. Raise and support the vehicle. Refer to Vehicle Lifting.
3. Remove the front lower air deflector panel.
4. Remove the torque converter covers.
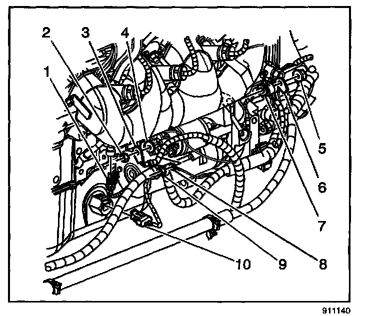
5. Remove the starter solenoid S terminal nut (9) and remove the starter solenoid wire (8) from the starter motor.
6. Remove the starter solenoid BAT terminal nut (2) and remove the positive battery cable (3) from the starter motor.




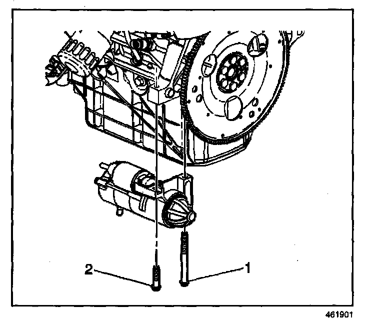
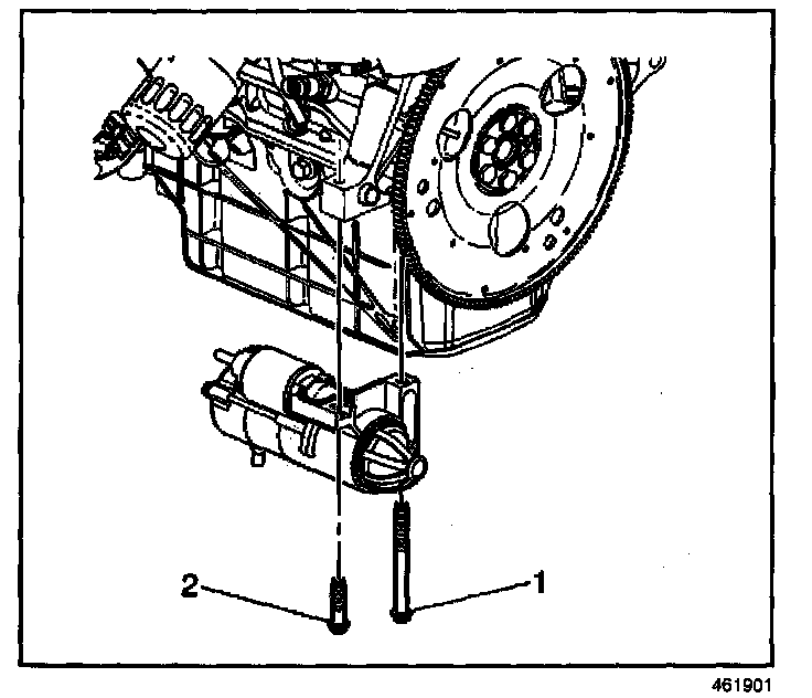
7. Remove the starter bolts (1,2) and the starter motor.

INSTALLATION PROCEDURE




1. Align the starter motor to the engine.

NOTE: Refer to Fastener Notice in Service Precautions.

2. Install the starter bolts (1,2) finger tight until seated.

Tighten
Tighten the starter bolts to 43 N.m (32 lb ft).




3. Install the positive battery cable (3) and the solenoid BAT terminal nut (2). Tighten finger tight to the starter motor.
4. Install the starter solenoid wire (8) and the starter solenoid S terminal nut (9). Tighten finger tight to the starter motor.

Tighten
4.1. Tighten the solenoid BAT terminal nut (2) to 9.5 N.m (84 lb in).
4.2. Tighten the starter solenoid S terminal nut (9) to 2.3 N.m (20 lb in).

5. Install the torque converter covers.
6. Install the front lower air deflector panel.
7. Lower the vehicle.
8. Connect the negative battery cable.