Windshield Washer Switch: Service and Repair
WIPERS/WASHER SWITCH REPLACEMENTREMOVAL PROCEDURE
CAUTION: Refer to SIR Caution in Service Precautions.
1. Disable the SIR system. Refer to SIR Disabling and Enabling Zone 3 on in Restraint Systems.
2. Remove the steering column trim covers.
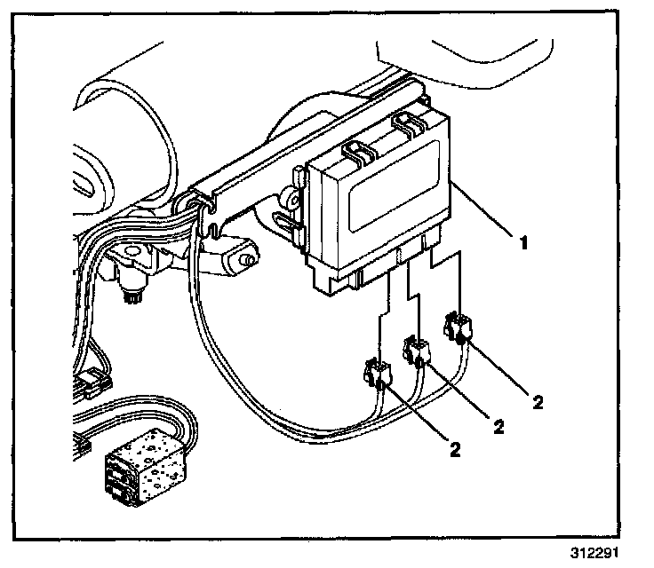
3. Remove the steering column wiring harness tie straps (1,2).
4. Disconnect the module electrical connectors (2).
IMPORTANT: Note the direction that the steering column wiring harness is routed for re-installation.
5. Open the wire harness shield (1) at the lower steering column and remove the wire harness (2).
6. Disconnect the electrical connectors (1,3) from the windshield and washer switch.
7. Depress the locking tab (1) on the windshield wiper and washer switch (2) and remove the switch from the steering column.
INSTALLATION PROCEDURE
1. Install the windshield wiper and washer switch (2) to the steering column.
2. Connect the electrical connectors (1,3) on the windshield wiper and washer switch.
3. Install the wire harness (2) to the wire harness shield (1) on the lower steering column.
4. Route and connect the electrical connector from the windshield wiper and washer switch.
5. Install the wiring harness tie straps (1,2).
6. Install the steering column trim covers.
7. Enable the SIR system. Refer to SIR Disabling and Enabling Zone 3 in Restraint Systems.