Fuel Filter: Service and Repair
FUEL PUMP AND FUEL FILTER ASSEMBLY REPLACEMENTREMOVAL PROCEDURE
1. Remove the fuel sender assembly.
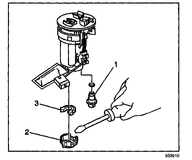
2. Remove the bottom cap (2) and the lower cushion (3) from the fuel sender assembly.
3. Remove the fuel pressure regulator (1).
4. Disconnect the fuel level sensor electrical connector.
5. Remove the fuel level sensor (2).
6. Remove the fuel sender top cap (1) from the fuel filter assembly.
7. Disconnect the fuel pump electrical connector.
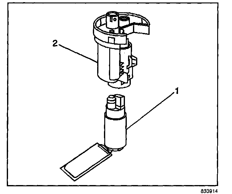
8. Remove the fuel pump (1) from the fuel filter assembly (2).
9. Remove the retaining ring for the fuel strainer from the fuel pump.
INSTALLATION PROCEDURE
1. Install the fuel pump strainer (7) to the fuel pump (11). Use a new locking ring (10).
2. Apply gasoline to fuel pump O-ring (12), and install to the fuel pump.
3. Install the fuel pump (11) in to the fuel filter assembly (13).
4. Apply gasoline to fuel pressure regulator O-ring (5), and install to the fuel pressure regulator (6).
5. Install the fuel pressure regulator in to the fuel filter assembly.
6. Connect the electrical connector (4) to the fuel pump. Ensure that connections are secure at the fuel pump and the top cap (2) of the sender assembly.
7. Install the fuel sender assembly top cap (2) to the fuel filter assembly (13). The fuel sender assembly end caps snap into place.
8. Install the fuel level sensor (3) to the fuel sender assembly.
9. Connect the fuel level sensor electrical connector
10. Position lower cushion (8) on bottom of fuel pump, and install lower cap (9) to fuel filter assembly.