Operation CHARM: Car repair manuals for everyone.
Manuals through 2025 now available!

Our trusted friends have launched a new website named LEMON, which has newer manuals. It also contains all the CHARM manuals.

LEMON is the spiritual successor to CHARM, I recommend you try it!

Link: lemon-manuals.la or lemon-manuals.org.ua

(Some people have issue connecting. LEMON is investigating. For now, use Firefox or change your DNS server)

Or, hide this message: temporarily or permanently

Camshaft Position Sensor: Service and Repair

CAMSHAFT POSITION (CMP) SENSOR REPLACEMENT

REMOVAL PROCEDURE




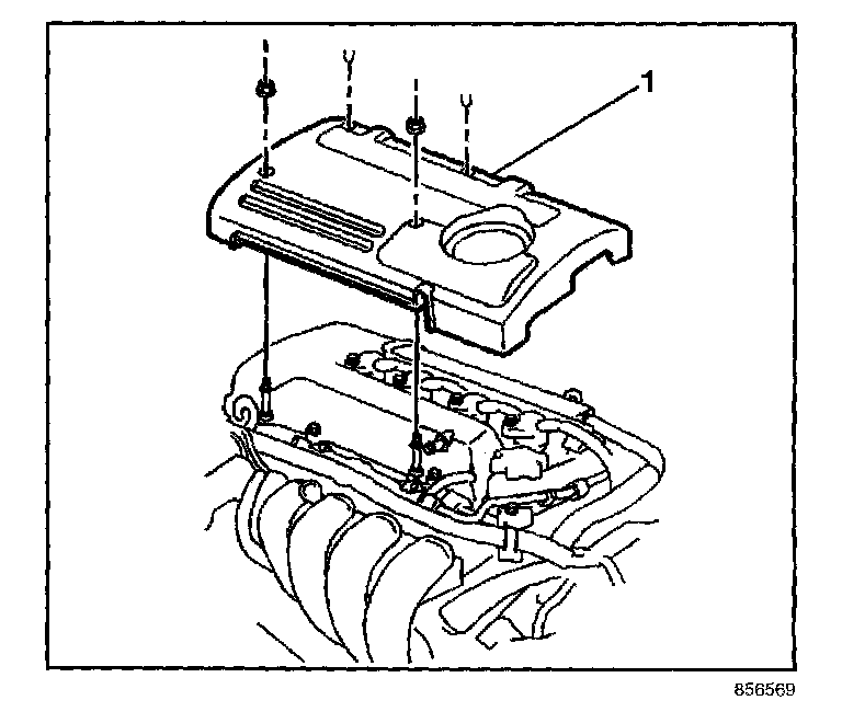
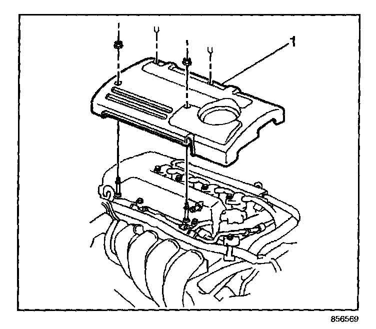
1. Remove the 2 fasteners.
2. Remove the 2 plastic retainers.
3. Remove the engine cover (1) from the engine.




4. Disconnect the CMP electrical connector (3).
5. Remove the 1 CMP sensor hold-down bolt (2).
6. Remove the CMP sensor (1) from the cylinder head.

INSTALLATION PROCEDURE




1. Install the CMP sensor (1) into the cylinder head.

NOTE: Refer to Fastener Notice in Service Precautions.

2. Install the 1 CMP sensor hold-down bolt (2).

Tighten
Tighten the hold-down bolt to 9 N.m (80 lb in).

3. Connect the CMP electrical connector (3).




4. Install the engine cover (1).
5. Secure the engine cover (1) with the 2 fasteners.

Tighten
Tighten the 2 fasteners to 8.8 N.m (77 lb in).

6. Install the 2 plastic retainers.