Operation CHARM: Car repair manuals for everyone.
Manuals through 2025 now available!

Our trusted friends have launched a new website named LEMON, which has newer manuals. It also contains all the CHARM manuals.

LEMON is the spiritual successor to CHARM, I recommend you try it!

Link: lemon-manuals.la or lemon-manuals.org.ua

(Some people have issue connecting. LEMON is investigating. For now, use Firefox or change your DNS server)

Or, hide this message: temporarily or permanently

Spark Plug: Service and Repair




Spark Plug Replacement

Removal Procedure




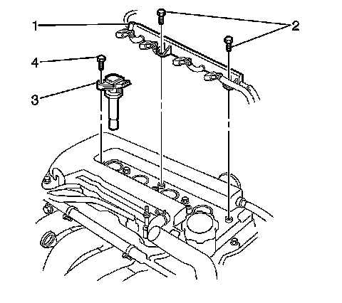
1. Remove the 2 clips and the 2 nuts that secure the engine cover to the cylinder head cover.
2. Remove the engine cover (1) from the cylinder head cover.




3. Disconnect the electrical connector from each ignition coil.
4. Remove the bolt (4) securing each ignition coil from the cylinder head cover.
5. Remove each ignition coil (3) from the cylinder head cover.

Notice: This engine is equipped with an aluminum cylinder head. Allow the engine to cool before removing spark plugs. Removing the spark plugs from an engine at operating temperature may damage the spark plug threads in the cylinder head. Also be sure to clean any dirt or debris from around spark plug holes prior to removing spark plugs.




6. Remove the spark plugs from the cylinder head.
7. Inspect the spark plugs for electrode wear, carbon deposits and insulator damage. Refer to Spark Plug Inspection (Testing and Inspection).

Installation Procedure





Important: Use one of the following types of iridium tipped spark plugs.


* Denso Type SK16R11

* NGK Type IFR5A11


1. Replace the spark plugs every 144 000 km (90,000 mi).

Important:
* Do not touch the tip of the spark plug.

* Do not damage the iridium surface of the electrode when gapping the plug.

* Do not adjust the gap on used spark plugs. Replace the spark plug if the gap is greater than specification.


2. Set the spark plug gap. Bend only the side electrode.

1.0-1.1 mm (0.040-0.043 in)

1.2 mm (0.047 in)

Notice: Refer to Fastener Notice .

3. Install the spark plugs to the cylinder head.

Tighten the spark plugs to 18 Nm (13 lb ft).




4. Install each ignition coil (3) to the cylinder head cover.
5. Secure the ignition coils using the bolts (4).

Tighten the bolts to 9 Nm (80 lb in).

6. Connect each ignition coil electrical connector.




7. Install the engine cover (1) to the cylinder head cover. Secure the engine cover with the 2 clips and the 2 nuts.

Tighten the nuts to 9 Nm (80 lb in).