Operation CHARM: Car repair manuals for everyone.
Manuals through 2025 now available!

Our trusted friends have launched a new website named LEMON, which has newer manuals. It also contains all the CHARM manuals.

LEMON is the spiritual successor to CHARM, I recommend you try it!

Link: lemon-manuals.la or lemon-manuals.org.ua

(Some people have issue connecting. LEMON is investigating. For now, use Firefox or change your DNS server)

Or, hide this message: temporarily or permanently

Variable Valve Timing Pressure Switch: Service and Repair

ROCKER ARM OIL PRESSURE SWITCH REPLACEMENT

REMOVAL PROCEDURE




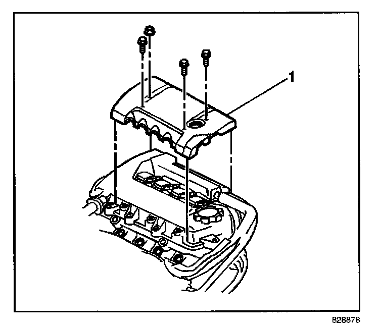
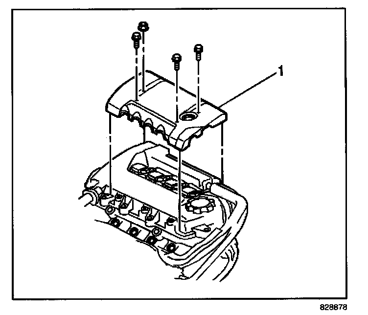
1. Remove the four fasteners from the engine cover (1).
2. Remove the engine cover (1) from the engine.




3. Disconnect the PCV hose (1) from the PCV valve.
4. Disconnect the PCV breather hose (2).
5. Disconnect the EVAP hose (3).
6. Swing the two PCV hoses and the EVAP hose away from the cylinder head.




7. Disconnect the electrical connector from the rocker arm oil pressure switch.
8. Remove the the rocker arm oil pressure switch (2) from the rocker arm oil control solenoid housing (1).

INSTALLATION PROCEDURE

NOTE: Refer to Component Fastener Tightening Notice in Service Precautions.




1. Install the the rocker arm oil pressure switch (2) into the rocker arm oil control solenoid housing (1).

Tighten
Tighten the switch to 13 N.m (9.5 lb ft).

2. Connect the electrical connector to the rocker arm oil pressure switch.




3. Connect the PCV hose (1) and the PCV breather hose (2) to the engine.
4. Connect the EVAP hoses.




5. Install the engine cover (1) to the engine.
6. Secure the engine cover (1) with the four fasteners.

Tighten
Tighten the fasteners to 7 N.m (62 lb in).