Operation CHARM: Car repair manuals for everyone.
Manuals through 2025 now available!

Our trusted friends have launched a new website named LEMON, which has newer manuals. It also contains all the CHARM manuals.

LEMON is the spiritual successor to CHARM, I recommend you try it!

Link: lemon-manuals.la or lemon-manuals.org.ua

(Some people have issue connecting. LEMON is investigating. For now, use Firefox or change your DNS server)

Or, hide this message: temporarily or permanently

Compressor Replacement

COMPRESSOR REPLACEMENT

TOOLS REQUIRED
J 39400-A Halogen Leak Detector

REMOVAL PROCEDURE
1. Recover the refrigerant. Refer to Refrigerant Recovery and Recharging.
2. Remove the drive belt.
3. Raise and support the vehicle. Refer to vehicle lifting.
4. Remove the right fascia extension.
5. Remove the lower air deflector.




6. Disconnect the compressor electrical connector.
7. Disconnect the high pressure cut out switch electrical connector.

IMPORTANT: Seal the compressor suction and discharge ports and the hoses, after the hoses are removed in order to keep contaminants from entering the air conditioning (A/C) system and oil from draining out of the compressor during removal.




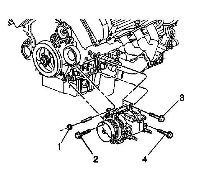
8. Remove the discharge hose nut (2) from the compressor.
9. Remove the discharge hose (3) from the compressor. Position the hose away from the compressor.
10. Remove the engine oil cooler hose to cooling fan retainer bolt.
11. Remove the engine oil cooler hose retainer.
12. Remove the suction hose nut (2) from the compressor.




13. Remove the suction hose (1) from the compressor. Position the hose away from the compressor.
14. Remove and discard the sealing washers.
15. Remove the washer solvent container mounting nuts.
16. Position the washer solvent container away from the mounting studs. Complete removal of the container is not necessary.
17. Disconnect the brake line retaining clips from the engine frame in order to allow the brake lines to move during removal of the compressor.




18. Remove the compressor mounting fasteners (1, 2, 3, 4).




19. Remove the compressor (2) mounting stud (1).




20. Rotate the compressor in order to allow the compressor to exit through the wheelhouse opening. The power steering hose will need to be flexed over the compressor studs during removal.

IMPORTANT: If replacing the compressor, balance the compressor oil. Refer to Compressor Oil Balancing (L36)Compressor Oil Balancing (LD8).

21. Remove the compressor from the vehicle.

INSTALLATION PROCEDURE




1. Install the compressor through the wheelhouse opening.




2. Position the compressor (2) on the mounting surface.

NOTE: Refer to Fastener Notice in Service Precautions.

3. Install the compressor mounting stud (1) to the engine.

Tighten
Tighten the stud to 25 N.m (18 lb ft).




4. Install all of the compressor mounting fasteners (1, 2, 3, 4) and hand tighten the fasteners.
5. Tighten the fasteners in the following sequence:

Tighten
1. Tighten the compressor mounting stud nut (1) to 50 N.m (37 lb ft).
2. Tighten the upper rear compressor mounting bolt (3) to 50 N.m (37 lb ft).
3. Tighten the front compressor mounting bolt (2) to 50 N.m (37 lb ft).
4. Tighten the last lower rear compressor mounting bolt (4) to 25 N.m (18 lb ft).

5. Position the washer solvent container to the mounting studs.
6. Install the washer solvent container mounting nuts.

Tighten
Tighten the nuts to 6 N.m (53 lb in).

7. Install new sealing washers to the suction hose and discharge hose.




8. Connect the suction hose (1) to the compressor.
9. Install the suction hose nut (2) to the compressor.

Tighten
Tighten the nut to 16 N.m (12 lb ft).




10. Connect the discharge hose (3) to the compressor.
11. Install the discharge hose nut (2) to the compressor.

Tighten
Tighten the nut to 16 N.m (12 lb ft).

12. Install the engine oil cooler hose retainer.
13. Install the engine oil cooler hose to cooling fan retainer bolt.

Tighten
Tighten the nut to 10 N.m (89 lb in).




14. Connect the compressor electrical connector.
15. Connect the high pressure cut out switch electrical connector.
16. Connect the brake line retaining clips to the frame.
17. Install the drive belt.
18. Install the lower air deflector.
19. Install the fascia extension.
20. Lower the vehicle. Refer to Vehicle Lifting.
21. Evacuate and recharge the A/C system. Refer to Refrigerant Recovery and Recharging.
22. Leak test the fittings of the component using the J 39400-A.