Operation CHARM: Car repair manuals for everyone.
Manuals through 2025 now available!

Our trusted friends have launched a new website named LEMON, which has newer manuals. It also contains all the CHARM manuals.

LEMON is the spiritual successor to CHARM, I recommend you try it!

Link: lemon-manuals.la or lemon-manuals.org.ua

(Some people have issue connecting. LEMON is investigating. For now, use Firefox or change your DNS server)

Or, hide this message: temporarily or permanently

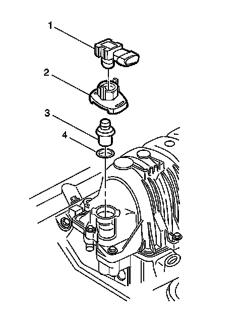
Positive Crankcase Ventilation: Service and Repair



Positive Crankcase Ventilation (PCV) Valve Replacement (L26)
Removal Procedure
1. Remove the fuel injector sight shield.





2. Disconnect the MAP sensor electrical connector.
3. Remove the MAP sensor (1).
4. Use a 16 mm (5/8 inch) socket to press the access cover (2) down and rotate 1/4 turn counterclockwise.
5. Remove the access cover.
6. Remove the PCV valve (3) and the O-ring (4) from the intake manifold.

Installation Procedure





1. Install the new O-ring (4) and the PCV valve (3).
2. Install the access cover (2).
3. Install the MAP sensor (1).
4. Connect the MAP sensor electrical connector.
5. Install the fuel injector sight shield.