Operation CHARM: Car repair manuals for everyone.
Manuals through 2025 now available!

Our trusted friends have launched a new website named LEMON, which has newer manuals. It also contains all the CHARM manuals.

LEMON is the spiritual successor to CHARM, I recommend you try it!

Link: lemon-manuals.la or lemon-manuals.org.ua

(Some people have issue connecting. LEMON is investigating. For now, use Firefox or change your DNS server)

Or, hide this message: temporarily or permanently

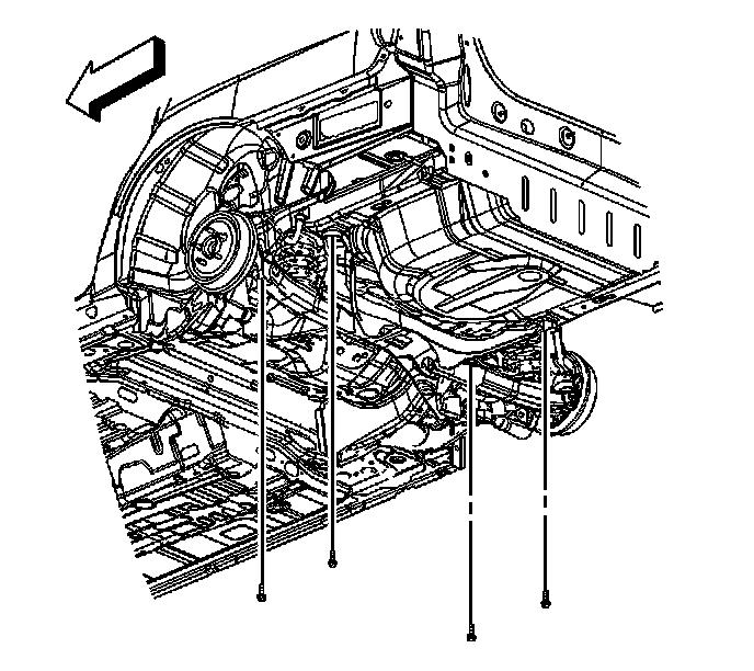
Cross-Member: Service and Repair



Support Replacement

Removal Procedure
1. Raise and support the vehicle.
2. Remove the rear wheels.
3. Remove the muffler.
4. Remove the lower control arms.





5. Important: When replacing complete module assembly, mark fastener location of axle bracket (LH/RH) to body rail.

Remove the upper control arm to support assembly bolts and nuts.
6. Remove the toe links.





7. Remove the stabilizer shaft to knuckle bolts.
8. Disconnect the vehicle wiring harness from the clips on the support assembly.
9. Using a suitable jack stand, support the support assembly.





10. Remove the support assembly to body bolts.

11. Important: Mark location of support assembly to body rails with a dab of paint.

With the aid of an assistant, remove the support assembly from the vehicle.
12. Remove the stabilizer shaft.

Installation Procedure
1. Install the stabilizer shaft.
2. With the aid of an assistant, position the support assembly to the vehicle.
3. Using a suitable jack stand, support the support assembly.





4. Notice: Refer to Fastener Notice in Service Precautions.

Install the support assembly to body bolts.

Important: Install support assembly to body rails by location of paint.

Tighten the bolts to 90 Nm (66 ft. lbs.) plus 60 degrees plus an additional 15 degrees.
5. Remove the jack stand.
6. Install the muffler.
7. Connect the vehicle wiring harness to the clips on the support assembly.





8. Install the stabilizer shaft to knuckle bolts.
Tighten the bolts to 50 Nm (37 ft. lbs.).
9. Install the toe links.





10. Install the upper control arm to support assembly bolts and nuts.
Tighten the bolts and nuts to 60 Nm (44 ft. lbs.) plus an additional 60 degrees.
11. Install the lower control arms.
12. Install the rear wheels.
13. Lower the vehicle.
14. Adjust the rear alignment. Refer to Measuring Wheel Alignment.