Operation CHARM: Car repair manuals for everyone.
Manuals through 2025 now available!

Our trusted friends have launched a new website named LEMON, which has newer manuals. It also contains all the CHARM manuals.

LEMON is the spiritual successor to CHARM, I recommend you try it!

Link: lemon-manuals.la or lemon-manuals.org.ua

(Some people have issue connecting. LEMON is investigating. For now, use Firefox or change your DNS server)

Or, hide this message: temporarily or permanently

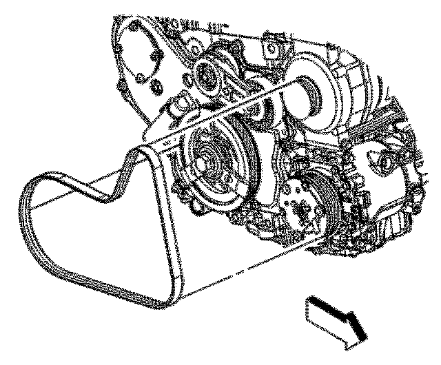
Drive Belt: Service and Repair





Removal Procedure






1. Remove the air cleaner outlet resonator. Refer to Air Cleaner Outlet Resonator Replacement Engine Control Module (ECM) C3.
2. Remove the right front fender liner. Refer to Front Fender Liner Replacement Service and Repair.
3. Install the J 44811 to the drive belt tensioner.
4. Using the J 44811 , rotate the tensioner counterclockwise in order to release the tensioner from the drive belt.






5. Remove the drive belt.
6. Slowly rotate the J 44811 and the tensioner clockwise in order to allow the tensioner to rest.
7. Remove the J 44811 from the drive belt tensioner.

Installation Procedure






1. Install and position the drive belt around all of the pulleys except for the drive belt tensioner.
2. Install the J 44811 to the drive belt tensioner.
3. Using the J 44811 , rotate the tensioner counterclockwise.
4. Position the drive belt under the tensioner pulley.






5. Using the J 44811 , rotate the tensioner clockwise in order to seat the tensioner pulley onto the drive belt.
6. Install the right front fender liner. Refer to Front Fender Liner Replacement Service and Repair.
7. Install the air cleaner outlet resonator. Refer to Air Cleaner Outlet Resonator Replacement Engine Control Module (ECM) C3.