Operation CHARM: Car repair manuals for everyone.
Manuals through 2025 now available!

Our trusted friends have launched a new website named LEMON, which has newer manuals. It also contains all the CHARM manuals.

LEMON is the spiritual successor to CHARM, I recommend you try it!

Link: lemon-manuals.la or lemon-manuals.org.ua

(Some people have issue connecting. LEMON is investigating. For now, use Firefox or change your DNS server)

Or, hide this message: temporarily or permanently

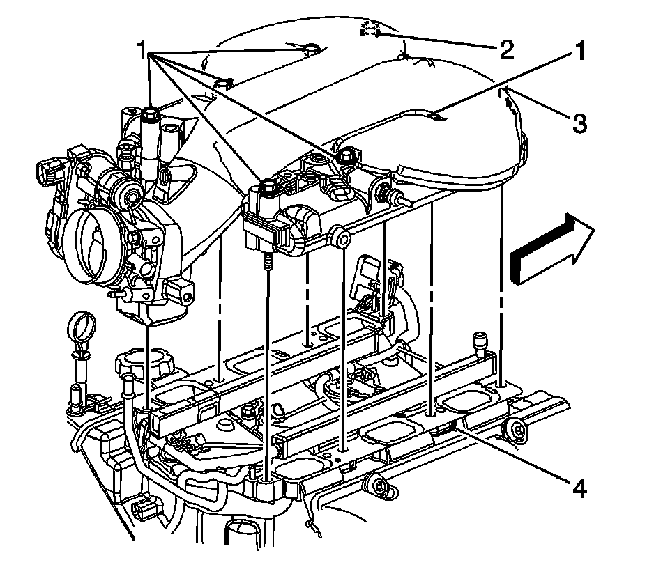
Intake Manifold

Throttle Body Bolt/Nut 10 Nm (89 inch lbs.)
Throttle Body Stud 6 Nm (53 inch lbs.)





Upper Intake Manifold Bolt/Stud 25 Nm (18 ft. lbs.)





Lower Intake Manifold Bolt - Corner
First Pass 13 Nm (115 inch lbs.)
Final Pass 25 Nm (18 ft. lbs.)





Lower Intake Manifold Bolt - Center
First Pass 13 Nm (115 inch lbs.)
Final Pass 20 Nm (151 inch lbs.)