Operation CHARM: Car repair manuals for everyone.
Manuals through 2025 now available!

Our trusted friends have launched a new website named LEMON, which has newer manuals. It also contains all the CHARM manuals.

LEMON is the spiritual successor to CHARM, I recommend you try it!

Link: lemon-manuals.la or lemon-manuals.org.ua

(Some people have issue connecting. LEMON is investigating. For now, use Firefox or change your DNS server)

Or, hide this message: temporarily or permanently

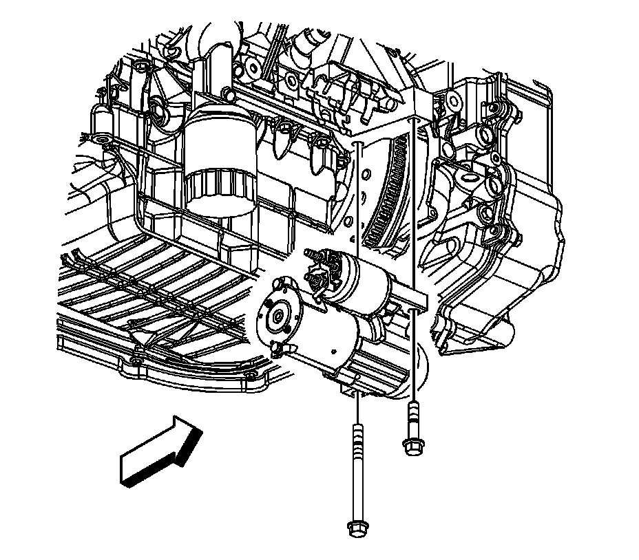
Starter Motor: Service and Repair



STARTER MOTOR REPLACEMENT

REMOVAL PROCEDURE




1. Disconnect the negative battery cable.
2. Raise and support the vehicle. Refer to Vehicle Lifting.
3. Remove the flywheel inspection cover bolts and cover.
4. Disconnect the engine harness electrical connector from the starter.




5. Remove the engine harness terminal nut (3).
6. Remove the positive battery cable terminal (1) from the starter.
7. Remove the engine harness terminal (2) from the starter.




8. Remove the starter motor bolts.
9. Remove the starter motor.

INSTALLATION PROCEDURE




1. Install the starter motor.

NOTE: Before installing the starter motor to the engine, tighten the nut next to the cap on the solenoid BAT terminal. If this terminal is not tight in the solenoid cap, the cap may be damaged during installation of electrical connections and cause the starter motor to fail later.

NOTE: Refer to Fastener Notice.

2. Install the starter motor bolts.

Tighten the bolts to 40 N.m (30 lb ft).




3. Install the engine harness terminal (2) to the starter.
4. Install the positive battery cable terminal (1) to the starter.
5. Install the engine harness terminal nut (3).

Tighten the battery terminal nut to 17 N.m (13 lb ft).




6. Connect the engine harness electrical connector to the starter.
7. Install the flywheel inspection cover and bolts.

Tighten the bolts to 10 N.m (89 lb in).

8. Lower vehicle.
9. Connect the negative battery cable.